Dzień dobry.
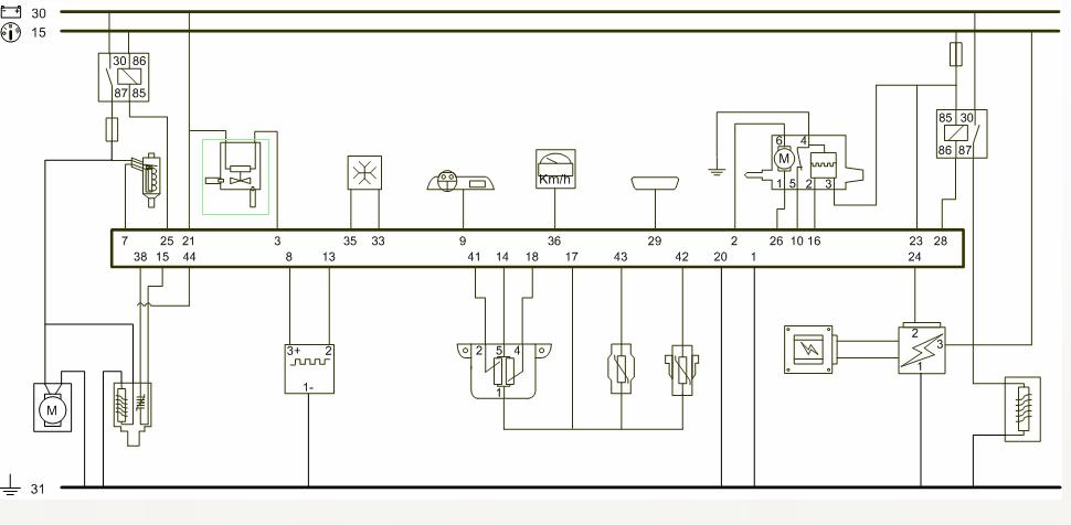
Mam taki problem, że sterownik silnika 1.6 ABU nie dostaje sygnału z czujnika VSS. Błąd G42 o ile dobrze pamiętam. Objawia się to tym, że samochód przygasa po wciśnięciu sprzęgła przy dojeżdżaniu do skrzyżowania, jest brak kultury podczas zmiany biegów-lekkie szarpnięcia, przygasa przy kręceniu kierownicą na postoju. Sprawdzałem czy sygnał dociera do radia, ale tam również cisza. Prędkość na zegarach jest wskazywana bez zarzutów. Dodam, że podczas grzebania w skrzynce rozdzielczej nad pedałami udało mi się przypadkiem naprawić to, bo pojawił się sygnał dla radia. Ale po wsadzeniu skrzynki na miejsce znów znikł. Wg schematu sprawdziłem wyjście 36 z ecu i okazał się ten przewód cały. Dochodzi on do skrzynki i tam łączy się tylko z przewodem GALA dla radia poprzez mała kostkę, doczepioną z boku tej dużej. Czy ktoś mógłby pomóc, jak sprawdzić w którym miejscu sygnał się urywa. Domyślam się, że musi być jeszcze jakiś przewód z sygnałem VSS z skrzynki do ecu. Dodaję schemat ecu i plik z rozpiską połączeń skrzynki.

Mam taki problem, że sterownik silnika 1.6 ABU nie dostaje sygnału z czujnika VSS. Błąd G42 o ile dobrze pamiętam. Objawia się to tym, że samochód przygasa po wciśnięciu sprzęgła przy dojeżdżaniu do skrzyżowania, jest brak kultury podczas zmiany biegów-lekkie szarpnięcia, przygasa przy kręceniu kierownicą na postoju. Sprawdzałem czy sygnał dociera do radia, ale tam również cisza. Prędkość na zegarach jest wskazywana bez zarzutów. Dodam, że podczas grzebania w skrzynce rozdzielczej nad pedałami udało mi się przypadkiem naprawić to, bo pojawił się sygnał dla radia. Ale po wsadzeniu skrzynki na miejsce znów znikł. Wg schematu sprawdziłem wyjście 36 z ecu i okazał się ten przewód cały. Dochodzi on do skrzynki i tam łączy się tylko z przewodem GALA dla radia poprzez mała kostkę, doczepioną z boku tej dużej. Czy ktoś mógłby pomóc, jak sprawdzić w którym miejscu sygnał się urywa. Domyślam się, że musi być jeszcze jakiś przewód z sygnałem VSS z skrzynki do ecu. Dodaję schemat ecu i plik z rozpiską połączeń skrzynki.