Witam
Zlece dokonczenie wykonania centralek 3 sztuk alarmowych.
Co trzeba zrobic: centralki sa polutowane trzeba wykonac we wlasnym zakresie lutowanie plytek 6x6
Trzeba polutowac we wlasnym zakresie plytki DSC_7662.JPG
WŁĄCZNIK WYŁĄCZNIK CENTRALI ALARMOWEJ.jpg
ALARMOWY SYGNALIZATOR AKUSTYCZNO ? OPTYCZNY.jpg
plytki sa wytrawione sam montarz
tam umiescic przekaznik i uklad scalony i 2 diody wlacz wylacz i trzeba dokupic z pieniedzy ktore dosle do Pana ktory podejmie sie wykonania koncowki uruchomieniowej kontraktron 3 sztuki do 3 centraleki 3 zaroweczek.
10zl kosztow
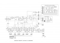
Podaje na zdjeciach schematy co trzeba zrobic pierwsze zdjecia i ostatnie zdjecia co juz mam zrobione.
I na koncu okablowac i okablowane i podlaczone wyslac do mnie zrobione na gotowo
Reasumujac przesylam 300zl i oczekuje zrobienie dokonczenie 3 centralek alarmowych gdzie koszty okolo 10zl
Wszystko wysylam w paczce - centalki, wszystkie przekazniki, wszystkie scalaki, diody, i plytki wytrawione do sygnalizatora 3 sztuki i 3 sztuki do manipulatora
Nie dosylam, trzeba kupic z pieniedzy ktore doloze: 3 kontraktrony po 2 zl za sztuke
Pilne, na poziomie Liceum
Zlece dokonczenie wykonania centralek 3 sztuk alarmowych.
Co trzeba zrobic: centralki sa polutowane trzeba wykonac we wlasnym zakresie lutowanie plytek 6x6
Trzeba polutowac we wlasnym zakresie plytki DSC_7662.JPG
WŁĄCZNIK WYŁĄCZNIK CENTRALI ALARMOWEJ.jpg
ALARMOWY SYGNALIZATOR AKUSTYCZNO ? OPTYCZNY.jpg
plytki sa wytrawione sam montarz
tam umiescic przekaznik i uklad scalony i 2 diody wlacz wylacz i trzeba dokupic z pieniedzy ktore dosle do Pana ktory podejmie sie wykonania koncowki uruchomieniowej kontraktron 3 sztuki do 3 centraleki 3 zaroweczek.
10zl kosztow
Podaje na zdjeciach schematy co trzeba zrobic pierwsze zdjecia i ostatnie zdjecia co juz mam zrobione.
I na koncu okablowac i okablowane i podlaczone wyslac do mnie zrobione na gotowo
Reasumujac przesylam 300zl i oczekuje zrobienie dokonczenie 3 centralek alarmowych gdzie koszty okolo 10zl
Wszystko wysylam w paczce - centalki, wszystkie przekazniki, wszystkie scalaki, diody, i plytki wytrawione do sygnalizatora 3 sztuki i 3 sztuki do manipulatora
Nie dosylam, trzeba kupic z pieniedzy ktore doloze: 3 kontraktrony po 2 zl za sztuke
Pilne, na poziomie Liceum