logo elektroda
logo elektroda
X
logo elektroda
REKLAMA
REKLAMA
Adblock/uBlockOrigin/AdGuard mogą powodować znikanie niektórych postów z powodu nowej reguły.

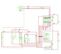
Schemat podłączenia łącznika krzywkowego w piekarniku Amica EBF 6521

chrzuszczyk 23 Mar 2016 21:12 2520 1
REKLAMA
  • #1 15550042
    chrzuszczyk
    Poziom 1  
    Witam,
    poszukuję schematu podłaczenia elektrycznego łącznika ( przełącznika) krzywkowego do piekarnika Amica EBF 6521. Może chociaż ma ktoś zdjęcie poprawnie podłaczonego?

    Dzięki
    ola
  • REKLAMA
REKLAMA