logo elektroda
logo elektroda
X
logo elektroda
REKLAMA
REKLAMA
Adblock/uBlockOrigin/AdGuard mogą powodować znikanie niektórych postów z powodu nowej reguły.

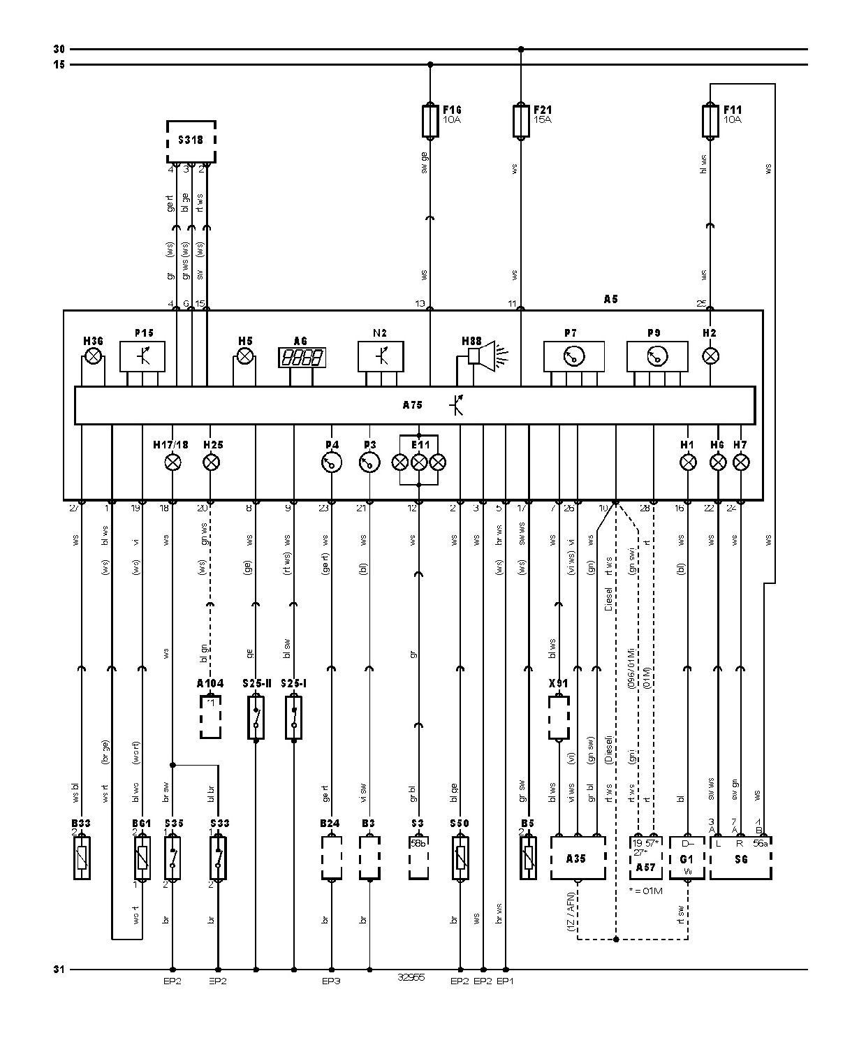
Passat B4 2.0 benzyna - pinout licznika elektronicznego, nie działa prędkościomierz

Pietruch1985 07 Kwi 2016 12:37 3450 9
REKLAMA
  • #1 15586308
    Pietruch1985
    Poziom 8  
    Witam. Jak w temacie potrzebuję pinout licznika. Licznik bez linki sama elektronika.

    Nie działa mi prędkościomierz. I chciałbym pomierzyc go i zdiagnozowac usterkę.
  • REKLAMA
  • Pomocny post
    #2 15586672
    ladamaniac
    Poziom 40  
    Pin 7 niebieski z białym paskiem lub biały, zerknij za radio, do wtyczki tam też powinien być sygnał do sprawdzenia kontrolką diodową.

    Passat B4 2.0 benzyna - pinout licznika elektronicznego, nie działa prędkościomierz Passat B4 2.0 benzyna - pinout licznika elektronicznego, nie działa prędkościomierz Passat B4 2.0 benzyna - pinout licznika elektronicznego, nie działa prędkościomierz
  • REKLAMA
  • #3 15587012
    Pietruch1985
    Poziom 8  
    Wielki dzieki.
  • #4 15601982
    Pietruch1985
    Poziom 8  
    Może ktoś byłby w stanie mi powiedzieć czy przykładając nap. Na pin 30 i 31 i po podaniu nap. Bezpośrednio na silniczek prędkościomierza powinien on zaczącz działać. I czy ktoś sie orientuje jakie napięcia tam dochodzą?
  • #5 15602133
    ladamaniac
    Poziom 40  
    Nie, tam przychodzi sygnał prostokątny o zmiennej częstotliwości, żależnej od prędkości jazdy. Amplituda sygnału około 12 wolt mowa o wtyczce, na samym wzkaźniku nie wiem jak jest. Kilometry zlicza?
  • #6 15602159
    Pietruch1985
    Poziom 8  
    Niestety nie. I w tym najwiekszy problem. Prędkościomierz można zastąpić zwykła aplikacja na telefon ale kilometrów sie nie doda:-(
  • REKLAMA
  • REKLAMA
  • #8 15602339
    Pietruch1985
    Poziom 8  
    A w którym miejscu mniej wiecej. Nie chciałbym specjalnie skrzyni zrzucić z tego powodu.
  • Pomocny post
    #9 15602666
    ladamaniac
    Poziom 40  
    W okolicy dyfra na wyjściu jednej z półosiek. Czyli z tyłu skrzyni, dostęp od strony ściany grodziowej albo z kanału. Wkładany od góry.
  • #10 15647881
    Pietruch1985
    Poziom 8  
    Wymiana napędu impulsatora pomogła. Dziękuję.
REKLAMA