logo elektroda
logo elektroda
X
logo elektroda
REKLAMA
REKLAMA
Adblock/uBlockOrigin/AdGuard mogą powodować znikanie niektórych postów z powodu nowej reguły.

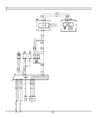
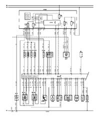
Citroen C2 1.1 8V Magneti Marelli 48P2.7H - pinout ECU i błędy po odwrotnym podłączeniu

diodabg 28 Kwi 2016 09:02 6051 2
REKLAMA
  • #1 15635843
    diodabg
    Poziom 30  
    Witam
    Potrzebuje pinout ecu do 1.1 8V Magneti marelli 48P2.7H.
    Auto kolezanki przyjechala z wakacji padla bateria i podlaczyli z sasiadem odwrotnie kable rozruchowe zaiskrzylo i silnik kreci ale nie odpala.
    Bledy stale nie da sie wykasowac 0329, 0327, 1524,0505 jak mu inicjuje dodatkowe bledy np. rozpinajac cewke i map wypluwa dodatkowo blad /0606 -ecu interial fault/ i te bledy daja sie wykasowac.
    Mosze sprawdzic zasilania ale nie mam schematu.
    Sa zestawy na ebay do odpalenia ecu, pilot i bsi czy to wystarczy jezeli padl ecu czy trzeba bedzie jeszcze cos kodowac ?
    Pozdrawaim
  • REKLAMA
  • Pomocny post
    #2 15635993
    ladamaniac
    Poziom 40  
    Witam, nie mam do C2 to jest do C3 do 2005 roku. Ten zestaw co piszesz, wystarczy do uruchomienia. Błąd p0606 sugeruje uszkodzenie sterownika, ale miałem w jakimś, że nie miał plusa stałego i też wychodził P0606.

    Citroen C2 1.1 8V Magneti Marelli 48P2.7H - pinout ECU i błędy po odwrotnym podłączeniu Citroen C2 1.1 8V Magneti Marelli 48P2.7H - pinout ECU i błędy po odwrotnym podłączeniu Citroen C2 1.1 8V Magneti Marelli 48P2.7H - pinout ECU i błędy po odwrotnym podłączeniu Citroen C2 1.1 8V Magneti Marelli 48P2.7H - pinout ECU i błędy po odwrotnym podłączeniu
  • #3 15636196
    anglik
    Poziom 12  
    czesc
    stale ustrki to:

    P0329-czujnik spalania stukowego bank1(przerwa)
    P0327-czujnik spalania stukowego bank1(niski sygnal)
    P1524-Variable intake selenoid system(sprawdzic czujnik polozenia walu)
    P0505-usterka regulacjibiegu jalowego(sprawdzic silniczek krokowy)
    pozdro

    Dodano po 45 [sekundy]:

    sprawdzic wszystkie bezpieczniki
REKLAMA