Witam,
na wstępie powiem, iz wiem że temat wałkowany dośc długo, ale w dalszym ciągu są problemy z zakupem działającego dopowiednika dla SANYO 2SC2078.
Moje pytanie brzmi:
czy ktoś próbował już zastępować w/w tranzystor inną konstrukcją, np: 2SC3298?
(ewentualnie przerabiać stopień końcowy na mosfet)
Noty katalogowe:
2sc2087
2sc3298
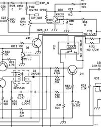
Dodam, że moje radio to Intek M-760 Plus, a jego schemat znajduje się pod linkiem:
Intek M-760 Plus
na wstępie powiem, iz wiem że temat wałkowany dośc długo, ale w dalszym ciągu są problemy z zakupem działającego dopowiednika dla SANYO 2SC2078.
Moje pytanie brzmi:
czy ktoś próbował już zastępować w/w tranzystor inną konstrukcją, np: 2SC3298?
(ewentualnie przerabiać stopień końcowy na mosfet)
Noty katalogowe:
2sc2087
2sc3298
Dodam, że moje radio to Intek M-760 Plus, a jego schemat znajduje się pod linkiem:
Intek M-760 Plus
