Witam;)
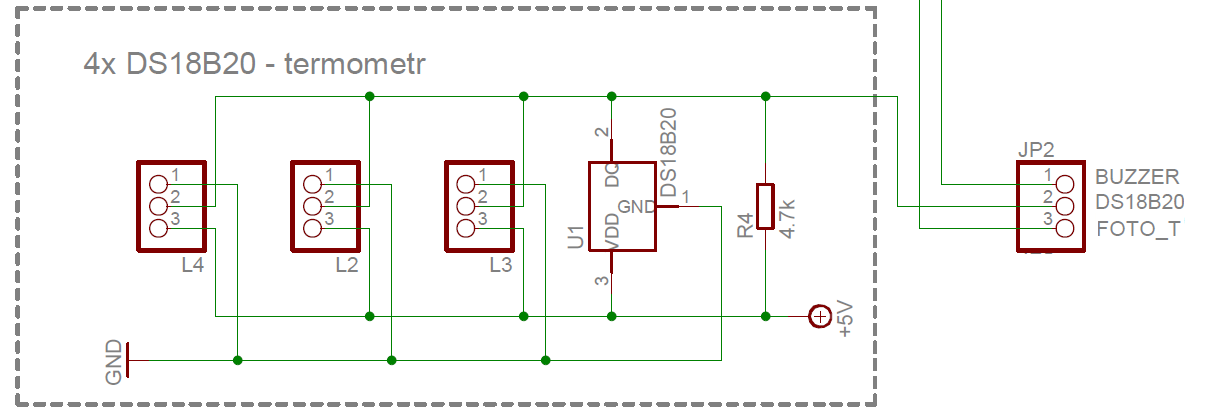
Niedawno wykonałem sobie swoją płytkę testową. Dziś wykonałem pierwsze podłączenie. Płytka zasilana jest 5V jednak po podłączeniu na płytce było 2.45V mimo że na wtyczce z zasilacza było 5.03V.
Wyczaiłem że w okolicy DS18B20 bardzo grzeje się płytka - sprawdziłem to i okazało się że to sam DS się tak bardzo grzał. Wylutowałem go - wszystko zaczęła działać na płytce jest ok 4.95V.
Czujnik był nowy nigdy nie używany. Jak można go sprawdzić czy jest dobry? Chyba że może to coś innego z nim się stało? Skąd taki objaw?
Pozdrawiam

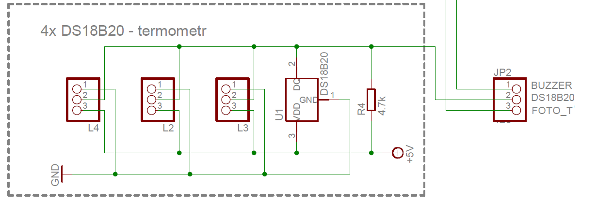
Niedawno wykonałem sobie swoją płytkę testową. Dziś wykonałem pierwsze podłączenie. Płytka zasilana jest 5V jednak po podłączeniu na płytce było 2.45V mimo że na wtyczce z zasilacza było 5.03V.
Wyczaiłem że w okolicy DS18B20 bardzo grzeje się płytka - sprawdziłem to i okazało się że to sam DS się tak bardzo grzał. Wylutowałem go - wszystko zaczęła działać na płytce jest ok 4.95V.
Czujnik był nowy nigdy nie używany. Jak można go sprawdzić czy jest dobry? Chyba że może to coś innego z nim się stało? Skąd taki objaw?
Pozdrawiam
