logo elektroda
logo elektroda
X
logo elektroda
REKLAMA
REKLAMA
Adblock/uBlockOrigin/AdGuard mogą powodować znikanie niektórych postów z powodu nowej reguły.

wyprowadzenie instalacji do podłączenia oświetlenia, kierunkowskazów, klaksonu

sebastian1260 04 Maj 2016 23:44 1401 5
REKLAMA
  • #1 15650966
    sebastian1260
    Poziom 5  
    Chcę wyprowadzić instalację od akumulatora do podłączenia wspomnianych w temacie rzeczy. Na przewodzie + ma być przekaźnik który będzie aktywowany po przekręceniu kluczyka w stacyjce. Pytanie brzmi czy mam dać 1 większy bezpiecznik przed tym przekaźnikiem czy po jednym mniejszym bezpieczniku za tym przekaźnikiem do każdej z wymienionych rzeczy?
  • REKLAMA
  • REKLAMA
  • #3 15651967
    sebastian1260
    Poziom 5  
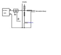
    lukasixthm czyli mam zrobić tak jak na ty schemacie? wyprowadzenie instalacji do podłączenia oświetlenia, kierunkowskazów, klaksonu

    schemat może nie najlepszy bo robiony na szybkiego ale widać co do czego.
  • REKLAMA
  • REKLAMA
  • #5 15652144
    sebastian1260
    Poziom 5  
    Jaki bezpiecznik dać do lampy LED 10 W? 5 A?
REKLAMA