logo elektroda
logo elektroda
X
logo elektroda
REKLAMA
REKLAMA
Adblock/uBlockOrigin/AdGuard mogą powodować znikanie niektórych postów z powodu nowej reguły.

Vectra c 1.9 cdti 150 2006 - Brak komunikacji can z ECU.Przepala bezp. Nr15

hanzohazashi 11 Maj 2016 00:15 16269 3
REKLAMA
  • #1 15664808
    hanzohazashi
    Poziom 11  
    Jak ja kocham vectry c.Pacjentka sciągnietana na holu po wpadnieciu w dołek pali bezpiecznik w skrzynce pod maską nr 15(zaraz po właczeniu zapłonu).Wg autodaty jest to bezpiecznik ecu ale pod jego linie podpiete sa:
    egr,przepustnica,map sensor,pierburg od sterowania turbo,czujnik stop,silnik klap wirowych i jeszcze pare elementow-wszystkie sprawdzilem,przepatrzałem wiąchy.Oczywiscie brak komunikacji ze sterownikiem.Wyciągnąlem go do wierzchu i przegladając wiązki zauważyłem ze po wypieciu duzej kostki ze sterownika bezpiecznik sie nie pali,mialem nadzieje ze moze to swiadczyc to o tym ze niema zwarcia w wiązce,choc po przemysleniu stwierdzam,ze niekoniecznie.Choc na razie nigdzie zadnych przetarc nie zauwazyłem.Zauwzylem po rozizolowaniu wiązki ze kable sa tam jakies dolutowane grube jest ich 6 i chyba nie sa oryginalne,wchodzą do kabiny przez podszybie.Potrzebowałbym pinoutu sterownika bo mam starszą autodate i tam niestety nie bylo jeszcze,oraz nie ukrywam ze licze na wasza pomoc i sugestie co by tam jeszcze rozkopac...Z wyrazami szacunku hanzo hazashi.
  • REKLAMA
  • #2 15665021
    ladamaniac
    Poziom 40  
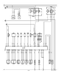
    Nie przepala po wyj ęciu wtyczki z ECU, bo wtedy ECU nie załącza przekaźnika systemowego i na bezpiecznik nr 15 nie jest podawane napięcie. Odpinaj klamoty po kolei, albo zamiast bezpiecznika załóż żarówkę 21W, jakzmniejszy jasność to zwarcie ustało. Schemat wersja bez DPF

    Vectra c 1.9 cdti 150 2006 - Brak komunikacji can z ECU.Przepala bezp. Nr15 Vectra c 1.9 cdti 150 2006 - Brak komunikacji can z ECU.Przepala bezp. Nr15 Vectra c 1.9 cdti 150 2006 - Brak komunikacji can z ECU.Przepala bezp. Nr15 Vectra c 1.9 cdti 150 2006 - Brak komunikacji can z ECU.Przepala bezp. Nr15
  • REKLAMA
  • #3 15665081
    hanzohazashi
    Poziom 11  
    Pierwsze co zrobiłem to zacząłem odpinac elementy na lini bezpiecznika.dobry patent z tą żarówka tak zrobię.dzięki
  • #4 15677129
    hanzohazashi
    Poziom 11  
    Przyczyną takich objawów był uszkodzony elektrycznie zawór egr.Po wymianie zaworu mam komunikację,bezpiecznik się nie przepala i vectra startuje.Jeszcze kolektor do zrobienia ale to inna sprawa.Dzięki za pomoc.
REKLAMA