Miernik WS-6908 , SF-100 Uszkodzony blok zasilania konwertera
Objawy: Brak napięcia zasilającego konwerter, całkowity brak sygnału podczas ustawiania anteny.
Uszkodzenia: Najczęściej uszkadza się przetwornica DC-DC na CA2X (CA2DH,CA2HH,CA2IL,CA0VC)
Układ niestety w Polsce nieosiągalny. Naprawa polega na zastąpieniu go popularnym MC34063.
Potrzebne elementy:
Układ MC34063
Rezystory: 1,5k 4,7k 15k 180ohm
Kondensator 20-30pF
Demontujemy R80
W miejsce R81 montujemy 1,5k
W miejsce R82 montujemy 4,7k
W miejsce R83 montujemy 15k
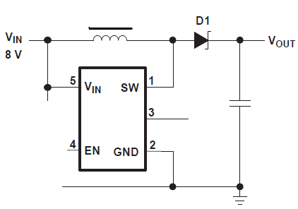
Budujemy układ według schematu:
R1 - 180ohm
C1 - 20-30pF
U1- MC34063
Następnie montujemy w miejsce starego układu:
W kilku wersjach zdarzało się że uszkodzeniu uległ Q17 FDN338 P-MOSFET z powodzeniem można zastąpić go popularnym AO3401
Po naprawie miernik prawidłowo przełącza polaryzacje V/H
Sprawdzamy napięcie wyjściowe powinno wynosić 13,5V/17,5V w zależności od polaryzacji.
Pozdrawiam, życzę udanych napraw. W razie problemów pisać na PW.
Objawy: Brak napięcia zasilającego konwerter, całkowity brak sygnału podczas ustawiania anteny.
Uszkodzenia: Najczęściej uszkadza się przetwornica DC-DC na CA2X (CA2DH,CA2HH,CA2IL,CA0VC)
Układ niestety w Polsce nieosiągalny. Naprawa polega na zastąpieniu go popularnym MC34063.
Potrzebne elementy:
Układ MC34063
Rezystory: 1,5k 4,7k 15k 180ohm
Kondensator 20-30pF
Demontujemy R80
W miejsce R81 montujemy 1,5k
W miejsce R82 montujemy 4,7k
W miejsce R83 montujemy 15k
Budujemy układ według schematu:
R1 - 180ohm
C1 - 20-30pF
U1- MC34063
Następnie montujemy w miejsce starego układu:
W kilku wersjach zdarzało się że uszkodzeniu uległ Q17 FDN338 P-MOSFET z powodzeniem można zastąpić go popularnym AO3401
Po naprawie miernik prawidłowo przełącza polaryzacje V/H
Sprawdzamy napięcie wyjściowe powinno wynosić 13,5V/17,5V w zależności od polaryzacji.
Pozdrawiam, życzę udanych napraw. W razie problemów pisać na PW.