Pytanie: Ustawiam mój generator, aby na wyjściu miał stały ton o ustalonej mocy, co - jak mi się udaje wyliczyć - powinno dać sygnał na poziomie -1 dBFS na wejściu przetwornika analogowo-cyfrowego (ADC). Jednakże w rzeczywistości widzę -15 dBFS. Kto zjadł moje decybele?
Odpowiedź: Bardzo często parametry pracy układów ADC podaje się dla wejścia -1 dBFS. Niektóre karty katalogowe podają np. zniekształcenia dla sygnału wejściowego na poziomie 0,5 dB poniżej pełnej skali. To, że dane te podawane są dla jednego czy pół decybela poniżej pełnego zakresu wejściowego, wynika z chęci uniknięcia przesterowania wejścia, które niechybnie nastąpiłoby, gdyby sygnał wejściowy osiągnął 0 dBFS.
Typowe warsztatowe generatory RF dają sygnał wyjściowy wyskalowany zazwyczaj w dBm. Oznacza to, że aby osiągnąć -1 dBFS przy maksymalnym napięciu wejściowym ADC równym 1,7 Vp-p, wystarczy nam 7,6 dBm na wyjściu generatora, zakładając obciążenie impedancją 50 Ω. Ale w takim przypadku, na wyjściu przetwornika ADC, po przeliczeniu FFT widzimy amplitudę tonu na poziomie -6,7 dBFS. Kto zjada te decybele?
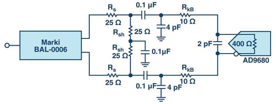
Odpowiedź na to pytanie jest cały czas przed samym nosem - nosem przetwornika ADC, ma się rozumieć. Za takie działanie odpowiedzialny jest front-end, znajdujący się przed układem. Przyjrzyjmy się domyślnemu schematowi projektu front-endu analogowego przed układem AD9680 pokazanym na rysunku 1.
Konwersja sygnału z linii asymetrycznej do symetrycznej zrealizowana została na szerokopasmowym balunie BAL-0006SMG. Wystarczy krótkie spojrzenie w kartę katalogową tego elementu, aby spostrzec, że straty na tym balunie wynoszą 6 dB. Idąc dalej - układ dopasowujący, znajdujący się za balunem, zestawiony z oporników Rs i RSH dodaje kolejne 6 dB straty w sygnale. Tego rodzaju układ dopasowujący jest wymagany, aby dopasować szerokopasmowe wyjście z baluna do wejścia przetwornika analogowo-cyfrowego. Dodatkowo, opornik wpięty równolegle w sygnał wejściowy do ADC (RkB) dodaje dalsze straty do sygnału, ale z kolei usuwa z widma sygnału trzecią harmoniczną, która pojawia się na skutek odbijania się ładunku z układu próbkującego (sample-and-hold) na wejściu przetwornika.
Przyjrzyjmy się zatem dokładnie i oceńmy, jaka moc wymagana jest na wejściu pokazanego powyżej układu, aby na przetworniku zobaczyć amplitudę -1 dBFS. Rezystancja odniesienia równa jest 50 Ω - będzie nam ona potrzebna do obliczeń.
Jak pisaliśmy powyżej - maksymalne napięcie wejściowe tego ADC wynosi 1,7 Vp-p, więc sygnał o amplitudzie -1 dBFS musi mieć amplitudę 1,515 Vp-p. Jako że straty na opornikach 10 Ω w torze sygnałowym są bardzo małe, możemy je pominąć i założyć, że napięcie takie jak wyjdzie z układu dopasowującego balun za terminatorem to napięcie, jakie trafi na przetwornik ADC.
Układ dopasowujący wraz z terminatorami wnosi straty na poziomie 6 dB, więc napięcie międzyszczytowe na każdej z nóżek baluna powinno wynosić dwukrotność wyznaczonego powyżej napięcia 1,515 Vp-p (6 dB to czterokrotne zmniejszenie amplitudy, ale z uwagi na fakt, że sygnał jest symetryczny napięcie na ADC będzie dwukrotnością napięcia na każdej z linii). Daje to około 3,03 Vp-p na każdym z wyjść baluna. Oznacza to, że generator dostarczyć musi sygnał (asymetryczny) o napięciu międzyszczytowym równym również 3,03 Vp-p, co przekłada się na 14 dBm. Pamiętajmy, że powyższe obliczenia nie uwzględniają strat na samym balunie, które zależne są od konkretnego elementu oraz strat na filtrze pasmowym, jaki oddziela balun od generatora.
Przyjrzyjmy się schematowi układu jeszcze raz, tym razem wraz z naniesionymi wartościami, jakie wykorzystywaliśmy podczas obliczeń. Schemat pokazano na rysunku 2.
Wracając teraz do naszego zasadniczego pytania - 7,6 dBm wystarczyłoby, aby na wejściu przetwornika zaobserwować -1 dBFS, ale tylko w przypadku, gdyby pomiędzy generatorem a przetwornikiem nie byłoby nic albo zaledwie zwykły balun. W opisanym powyżej przypadku te dwa elementy dzieli jednak szerokopasmowy balun, układ dopasowujący itp., które wszystkie powodują straty w sygnale, jaki dociera do wejścia ADC.
Tak więc, kto zjadł decybele? Front-end na spółkę z balunem i innymi układami, jakie znajdują się przed nosem naszego przetwornika analogowo-cyfrowego.
Kilka równań, które mogą okazać się pomocne:
$$dBFS = 20 log (frac {V_{IN}}{V_{FS})$$
gdzie Vin to napięcie wejściowe, a Vfs to napięcie pełnej skali pracy układu.
$$V_{rms} = 0,3535 times V_{P-P}$$
gdzie Vrms to napięcie rms, a Vp-p to napięcie międzyszczytowe.
$$P_{dBm} = 10 log ( frac {V_{rms}^2}{R times P_0}$$
gdzie PdBm to moc generatora sygnałowego w dBm, Vrms to napięcie rms, R to impedancja systemu, a P0 równa się 1 mW.
Źródło: http://www.analog.com/library/analogdialogue/archives/50-05/raq-129.HTML
Odpowiedź: Bardzo często parametry pracy układów ADC podaje się dla wejścia -1 dBFS. Niektóre karty katalogowe podają np. zniekształcenia dla sygnału wejściowego na poziomie 0,5 dB poniżej pełnej skali. To, że dane te podawane są dla jednego czy pół decybela poniżej pełnego zakresu wejściowego, wynika z chęci uniknięcia przesterowania wejścia, które niechybnie nastąpiłoby, gdyby sygnał wejściowy osiągnął 0 dBFS.
Typowe warsztatowe generatory RF dają sygnał wyjściowy wyskalowany zazwyczaj w dBm. Oznacza to, że aby osiągnąć -1 dBFS przy maksymalnym napięciu wejściowym ADC równym 1,7 Vp-p, wystarczy nam 7,6 dBm na wyjściu generatora, zakładając obciążenie impedancją 50 Ω. Ale w takim przypadku, na wyjściu przetwornika ADC, po przeliczeniu FFT widzimy amplitudę tonu na poziomie -6,7 dBFS. Kto zjada te decybele?
Odpowiedź na to pytanie jest cały czas przed samym nosem - nosem przetwornika ADC, ma się rozumieć. Za takie działanie odpowiedzialny jest front-end, znajdujący się przed układem. Przyjrzyjmy się domyślnemu schematowi projektu front-endu analogowego przed układem AD9680 pokazanym na rysunku 1.
Konwersja sygnału z linii asymetrycznej do symetrycznej zrealizowana została na szerokopasmowym balunie BAL-0006SMG. Wystarczy krótkie spojrzenie w kartę katalogową tego elementu, aby spostrzec, że straty na tym balunie wynoszą 6 dB. Idąc dalej - układ dopasowujący, znajdujący się za balunem, zestawiony z oporników Rs i RSH dodaje kolejne 6 dB straty w sygnale. Tego rodzaju układ dopasowujący jest wymagany, aby dopasować szerokopasmowe wyjście z baluna do wejścia przetwornika analogowo-cyfrowego. Dodatkowo, opornik wpięty równolegle w sygnał wejściowy do ADC (RkB) dodaje dalsze straty do sygnału, ale z kolei usuwa z widma sygnału trzecią harmoniczną, która pojawia się na skutek odbijania się ładunku z układu próbkującego (sample-and-hold) na wejściu przetwornika.
Przyjrzyjmy się zatem dokładnie i oceńmy, jaka moc wymagana jest na wejściu pokazanego powyżej układu, aby na przetworniku zobaczyć amplitudę -1 dBFS. Rezystancja odniesienia równa jest 50 Ω - będzie nam ona potrzebna do obliczeń.
Jak pisaliśmy powyżej - maksymalne napięcie wejściowe tego ADC wynosi 1,7 Vp-p, więc sygnał o amplitudzie -1 dBFS musi mieć amplitudę 1,515 Vp-p. Jako że straty na opornikach 10 Ω w torze sygnałowym są bardzo małe, możemy je pominąć i założyć, że napięcie takie jak wyjdzie z układu dopasowującego balun za terminatorem to napięcie, jakie trafi na przetwornik ADC.
Układ dopasowujący wraz z terminatorami wnosi straty na poziomie 6 dB, więc napięcie międzyszczytowe na każdej z nóżek baluna powinno wynosić dwukrotność wyznaczonego powyżej napięcia 1,515 Vp-p (6 dB to czterokrotne zmniejszenie amplitudy, ale z uwagi na fakt, że sygnał jest symetryczny napięcie na ADC będzie dwukrotnością napięcia na każdej z linii). Daje to około 3,03 Vp-p na każdym z wyjść baluna. Oznacza to, że generator dostarczyć musi sygnał (asymetryczny) o napięciu międzyszczytowym równym również 3,03 Vp-p, co przekłada się na 14 dBm. Pamiętajmy, że powyższe obliczenia nie uwzględniają strat na samym balunie, które zależne są od konkretnego elementu oraz strat na filtrze pasmowym, jaki oddziela balun od generatora.
Przyjrzyjmy się schematowi układu jeszcze raz, tym razem wraz z naniesionymi wartościami, jakie wykorzystywaliśmy podczas obliczeń. Schemat pokazano na rysunku 2.
Wracając teraz do naszego zasadniczego pytania - 7,6 dBm wystarczyłoby, aby na wejściu przetwornika zaobserwować -1 dBFS, ale tylko w przypadku, gdyby pomiędzy generatorem a przetwornikiem nie byłoby nic albo zaledwie zwykły balun. W opisanym powyżej przypadku te dwa elementy dzieli jednak szerokopasmowy balun, układ dopasowujący itp., które wszystkie powodują straty w sygnale, jaki dociera do wejścia ADC.
Tak więc, kto zjadł decybele? Front-end na spółkę z balunem i innymi układami, jakie znajdują się przed nosem naszego przetwornika analogowo-cyfrowego.
Kilka równań, które mogą okazać się pomocne:
$$dBFS = 20 log (frac {V_{IN}}{V_{FS})$$
gdzie Vin to napięcie wejściowe, a Vfs to napięcie pełnej skali pracy układu.
$$V_{rms} = 0,3535 times V_{P-P}$$
gdzie Vrms to napięcie rms, a Vp-p to napięcie międzyszczytowe.
$$P_{dBm} = 10 log ( frac {V_{rms}^2}{R times P_0}$$
gdzie PdBm to moc generatora sygnałowego w dBm, Vrms to napięcie rms, R to impedancja systemu, a P0 równa się 1 mW.
Źródło: http://www.analog.com/library/analogdialogue/archives/50-05/raq-129.HTML
Fajne? Ranking DIY