logo elektroda
logo elektroda
X
logo elektroda
REKLAMA
REKLAMA
Adblock/uBlockOrigin/AdGuard mogą powodować znikanie niektórych postów z powodu nowej reguły.

Włącznik wentylatora 3-fazowego za pomocą czujnika temperatur 1-fazowego

henres01 22 Cze 2016 12:20 2109 8
REKLAMA
  • #1 15760909
    henres01
    Poziom 2  
    Witam,

    Sąsiad (rolnik) posiada duży wentylator przemysłowy 3-fazowy, montowany wewnątrz otworu ściennego.
    Chciałby zamontować ten wentylator by schładzał pomieszczenie w którym znajdują się ziemniaki.
    Poszukujemy rozwiązania podłączenia tego wentylatora 3-fazowego do czujnika temperatury tak by włączał się i wyłączał automatycznie w określonych wartościach temperatury.
    Jak dotąd odnalazłem głównie regulatory temperatury dla wentylatorów 1- fazowych
    Poszukujemy w miarę taniego rozwiązania, lecz na internecie znalazłem sterowniki do wentylatorów z silnikami 3 fazowymi w granicach 1200zł!!!
    raczej chcielibyśmy nie przekraczać 300-350zł
    Jeżeli nie uda się znaleźć taniego rozwiązania to w najgorszym wypadku zamontujemy zwykły włącznik 3 fazowy i będzie on uruchamiany i wyłączany ręcznie
    Przepraszam za nie profesjonalną nomenklaturę, lecz nie mam wykształcenia w kierunku elektrycznym/elektronicznym. Jestem prostym majsterklepką.
  • REKLAMA
  • #2 15760936
    Zbigniew 400
    Poziom 38  
    Należy podpiąć regulator do stcznika 3 fazowego
  • REKLAMA
  • #3 15760941
    Wojciech.
    Poziom 36  
    Tak jak tutaj kolega wyżej wspomina. Regulator będzie przesterowywał stycznik trójfazowy.



    To będzie tak wyglądało, że przez styki zwierne(normalnie otwarte) regulatora dasz 24V DC(zależy od parametrów stycznika) która zamykają obwód z cewką sterującą stycznika. Gdy regulator przesteruje styki do załączy stycznik główny silnika i nastąpi praca.


    Taki regulator za 100 zł kupi "
    Spoiler:
    http://allegro.pl/regulator-temperatury-termostat-50-110c-sterownik-i5714658678.html
  • REKLAMA
  • #4 15760971
    henres01
    Poziom 2  
    Dziękuję za podpowiedzi, lecz dla takiego laika jak Ja, nie są one dostatecznie jednoznaczne.
    Jeżeli dobrze zrozumiałem to układ powinien wyglądać następująco:
    - Czujnik temperatury jest zasilana 1 fazą
    - Z czujnika temperatury wychodzi tylko 1 faza
    - dalej podłączamy ją do stycznika, z którego z kolei wychodzą 3 fazy zasilające silnik wentylatora?

    Jeżeli nie zrozumiałem tego dobrze, to proszę o prosty schemat rysunkowy.
  • Pomocny post
    #5 15761017
    Wojciech.
    Poziom 36  
    Kupujesz sobie taki stycznik:


    Spoiler:
    http://allegro.pl/stycznik-trojfazowy-18a-cewka-230v-xbs-f-vat-i5444731363.html



    Jest on sterowany napięciem 230 V AC.

    Szukasz teraz regulatora który na wyjściu podaje sygnał jednofazowy czyli 230 AC.

    np taki ale to nie ma znaczenia.

    Spoiler:
    http://allegro.pl/regulator-temperatury-sterownik-pt100-30-370c-i6090414768.html



    No i jak masz wyjście z regulatora to podłączasz go do tego stycznika( do cewki sterującej).

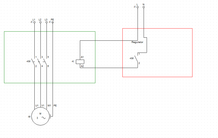
    Zaraz spróbuje jakiś schemat zrobić.

    Dodano po 11 [minuty]:

    Włącznik wentylatora 3-fazowego za pomocą czujnika temperatur 1-fazowego


    Sorki za trywializację ale chyba o to tutaj w tym chodzi.
  • REKLAMA
  • #6 15761114
    henres01
    Poziom 2  
    Super :)
    Pięknie dziękuje.

    Postaram się wykonać układ wg. zaleceń.
  • #8 15761182
    henres01
    Poziom 2  
    A najlepiej zastosować wyłączniki nadmiarowo prądowe przed regulatorem, stycznikiem czy silnikiem?
  • Pomocny post
    #9 15761430
    Wojciech.
    Poziom 36  
    henres01 napisał:
    A najlepiej zastosować wyłączniki nadmiarowo prądowe przed regulatorem, stycznikiem czy silnikiem?



    Zaraz po zasilaniu 3 fazowym dajesz wyłącznik silnikowy, który w razie zwiększenia prądu płynącego przez instalacje wyłączy go.

    Poczytaj:

    http://www.falowniki.edu.pl/nauka,3,5,76,zabezpieczanie-silnikow-wylacznik-silnikowy.html
REKLAMA