Witam posaidam programator Atmel-ICE Basic, gdy wlaczam "Device Programing" w Atmel Studio ustawiam na Atmega16A, wykrywa mi programator "Atmel-ICE" klikam APPLY potem READ i jest komunikat ze za małe napiecie na urzadzeniu, ktore wynosi "1,7V" a zakres pracy to 1,8-5V. Dodatkowo grzeje sie sciezka przy VCC co nie wrozy dobrze..
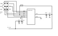
Oto schemat, znajac zycie cos zle podlaczylem

Oto schemat, znajac zycie cos zle podlaczylem