logo elektroda
logo elektroda
X
logo elektroda
REKLAMA
REKLAMA
Adblock/uBlockOrigin/AdGuard mogą powodować znikanie niektórych postów z powodu nowej reguły.

Peugeot 407 1.6 HDI 2007 - Pinologia masy i zasilania EGR, błędy p0121, p0488

zimek81 25 Lip 2016 19:33 8193 4
REKLAMA
  • #1 15829402
    zimek81
    Poziom 15  
    Witam, potrzebuję pinologie masy, zasilania i cały EGR. Peugeot 407 1,6 hdi 2007r.

    Lexia i cdp pokazują te same błędy p0121, p0488, p0490, p1161, p1162, p2111, wyszystkie związane z sygnałem i\lub samym egr'em. Oczywiście EGR nowy Pieroburg.
  • REKLAMA
  • Pomocny post
    #2 15829732
    gzresieknysa
    Poziom 20  
    Egr ,egr a przepustnice posiada ten wóz?
    Jak tak to zobacz w ich okolice.
  • REKLAMA
  • Pomocny post
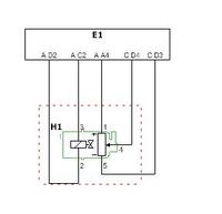
    #3 15830160
    Doktorr
    Poziom 35  
    Edc16c34
    Peugeot 407 1.6 HDI 2007 - Pinologia masy i zasilania EGR, błędy p0121, p0488
  • REKLAMA
  • #4 15831197
    zimek81
    Poziom 15  
    Przepustnice ma, test elementów w diagbox robiłem i pracują ładnie, na jedenj przepustnicy był delikatnie zielony pin. Niestety dalej zostają dwa błędy P0409 i P0490 odnośnie zaworu EGR.

    Dzięki za schemat, wszystkie kable od egr do ecu sprawdzone, nie wystawia zasilania na sterowanie zaworem, na potencjometr 5v.
  • #5 15841317
    gzresieknysa
    Poziom 20  
    A jak wyąda zasilanie 5V na innych czujnikach?
    Albo któryś przywiera do masy 5V albo przetwornica 5V w ecu kuleje.
REKLAMA