logo elektroda
logo elektroda
X
logo elektroda
REKLAMA
REKLAMA
Adblock/uBlockOrigin/AdGuard mogą powodować znikanie niektórych postów z powodu nowej reguły.

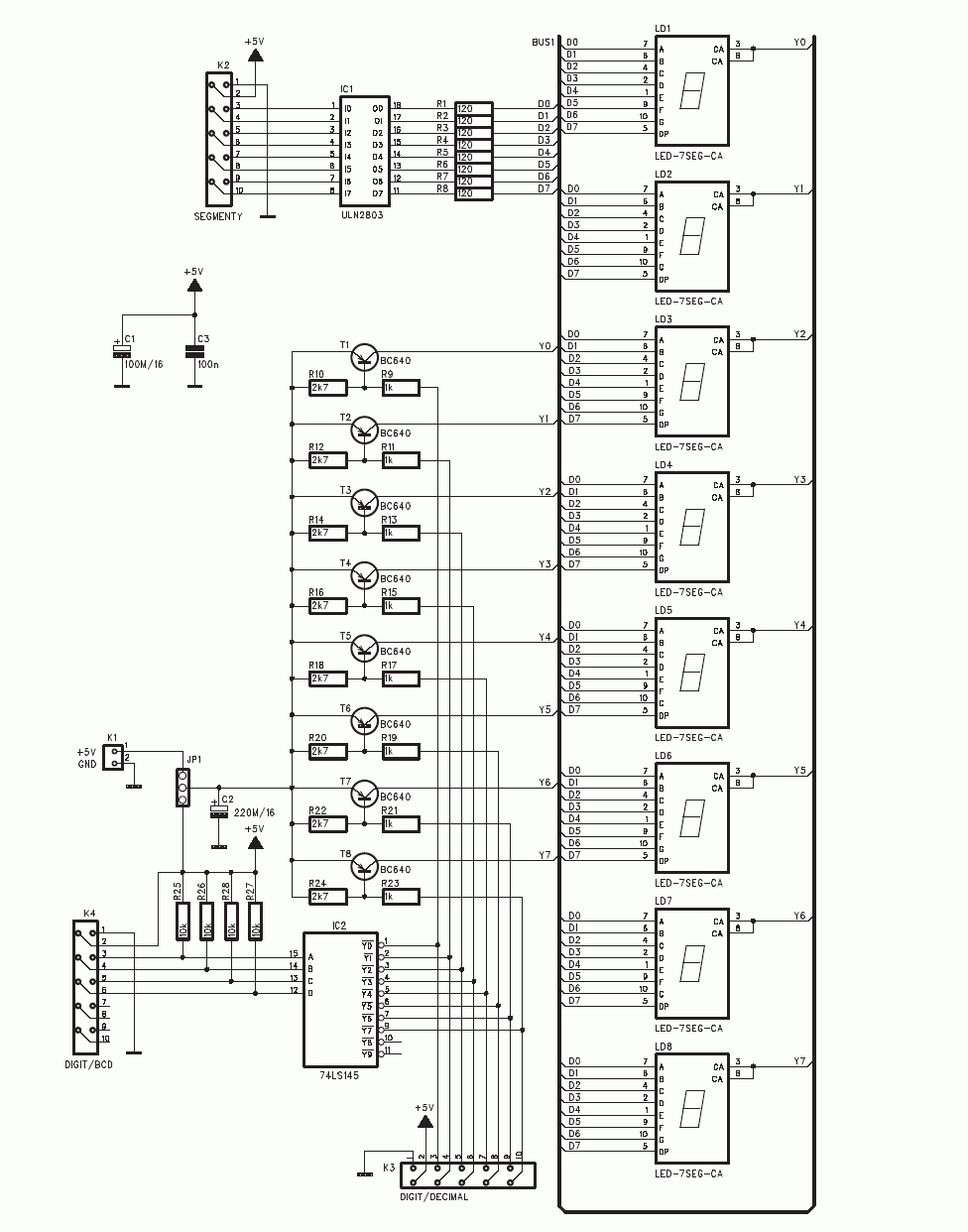
Uniwersalny moduł 8 wyświetlaczy LED 7-segment dla uC

zasoby 04 Lip 2005 18:07 4399 1
REKLAMA
  • Wyświetlacze LED miałą tą zaletą w stosunku do LCD, że bez problemu można je odczytywać w ciemności i z dalekiej odległości. Znajdują zastosowanie jako termometry, zegarki, timery. Jest to uniwersalna płytka zawierająca 8 wyświetlaczy LED 7 segmentowych przeznaczona dla mikrokontrolerów. Płytka posiada 8 wejść wyboru danego wyświetlacza (K2) oraz wejście BCD (K4) lub binarne (K3). Świetnie nadaje się do rozwiązań multipleksowych - w programie mikrokontrolera podajemy, który wyświetlacz ma być aktywny, wpisujemy np. za pomocą kodu BCD wartość do wyświetlenia, później przechodzimy do następnego wyświetlacza. Jeżeli dzieje się to bardzo szybko wszystkie cyfry są widoczne.

    Fajne? Ranking DIY
    O autorze
    zasoby
    Poziom 23  
    Offline 
    zasoby napisał 784 postów o ocenie 432, pomógł 4 razy. Jest z nami od 2002 roku.
  • REKLAMA
  • #2 1638497
    grzesio14
    Poziom 14  
    Bardzo przydatne rozwiązanie.
    Podoba mi się
    Zastanawiam tylko nad wyświetlaczami.
    Zamiast stosować 8 wyświetlaczy czy nie lepiej zastosować poczwórny modół dwa razy.
    Uprości to schemat i płytke.
    Przykład wyświetlacza: http://www.tme.pl/arts2/pl/a06/ca56-21ewa.html
    Sam używam i jestem zadowolony.
    Grzegorz.
REKLAMA