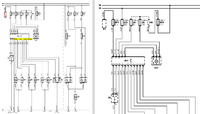
Witam, projektuję układzik komfortowych kierunkowskazy do puga. O ile sprawa jest klarowna jeżeli chodzi o VW itp. To nie moge sobie poradzić ze zczytaniem stanu kierunku w peugeocie.
Chodzi dokładnie o kabel 233 i 234. Sam przełacznik kierunkowskazów (S5) podaje masę na te kable i kierunki działają (dla wiadomości jest to prad zaledwie 0.7mA).
Nie podłaczone do masy na kablach mozna zauważyć prad 0.7V.
Programujac mikrokontroler pominełem badanie stanów logicznych, skupiłem sie na badaniu napięcia. Jednak co się okazało napięcie 0.7V jest napieciem średnim. Skacze ono miedzy 0V a 0.8V.
Wydawało mi się, że jak coś wymaga masy, żeby się włączyło to po drugie stronie musi być jakis plus.
Co to za uklad siedzi w tym BSI, i jak wykryć z tych kabli czy kierunkowskaz jest w czasie spoczynku. Wszelkie pomysły mile widziane
Dodano po 43 [minuty]:
Hmm zaraz pojde i rozbiore te BSI
Chodzi dokładnie o kabel 233 i 234. Sam przełacznik kierunkowskazów (S5) podaje masę na te kable i kierunki działają (dla wiadomości jest to prad zaledwie 0.7mA).
Nie podłaczone do masy na kablach mozna zauważyć prad 0.7V.
Programujac mikrokontroler pominełem badanie stanów logicznych, skupiłem sie na badaniu napięcia. Jednak co się okazało napięcie 0.7V jest napieciem średnim. Skacze ono miedzy 0V a 0.8V.
Wydawało mi się, że jak coś wymaga masy, żeby się włączyło to po drugie stronie musi być jakis plus.
Co to za uklad siedzi w tym BSI, i jak wykryć z tych kabli czy kierunkowskaz jest w czasie spoczynku. Wszelkie pomysły mile widziane
Dodano po 43 [minuty]:
Hmm zaraz pojde i rozbiore te BSI