logo elektroda
logo elektroda
X
logo elektroda
REKLAMA
REKLAMA
Adblock/uBlockOrigin/AdGuard mogą powodować znikanie niektórych postów z powodu nowej reguły.

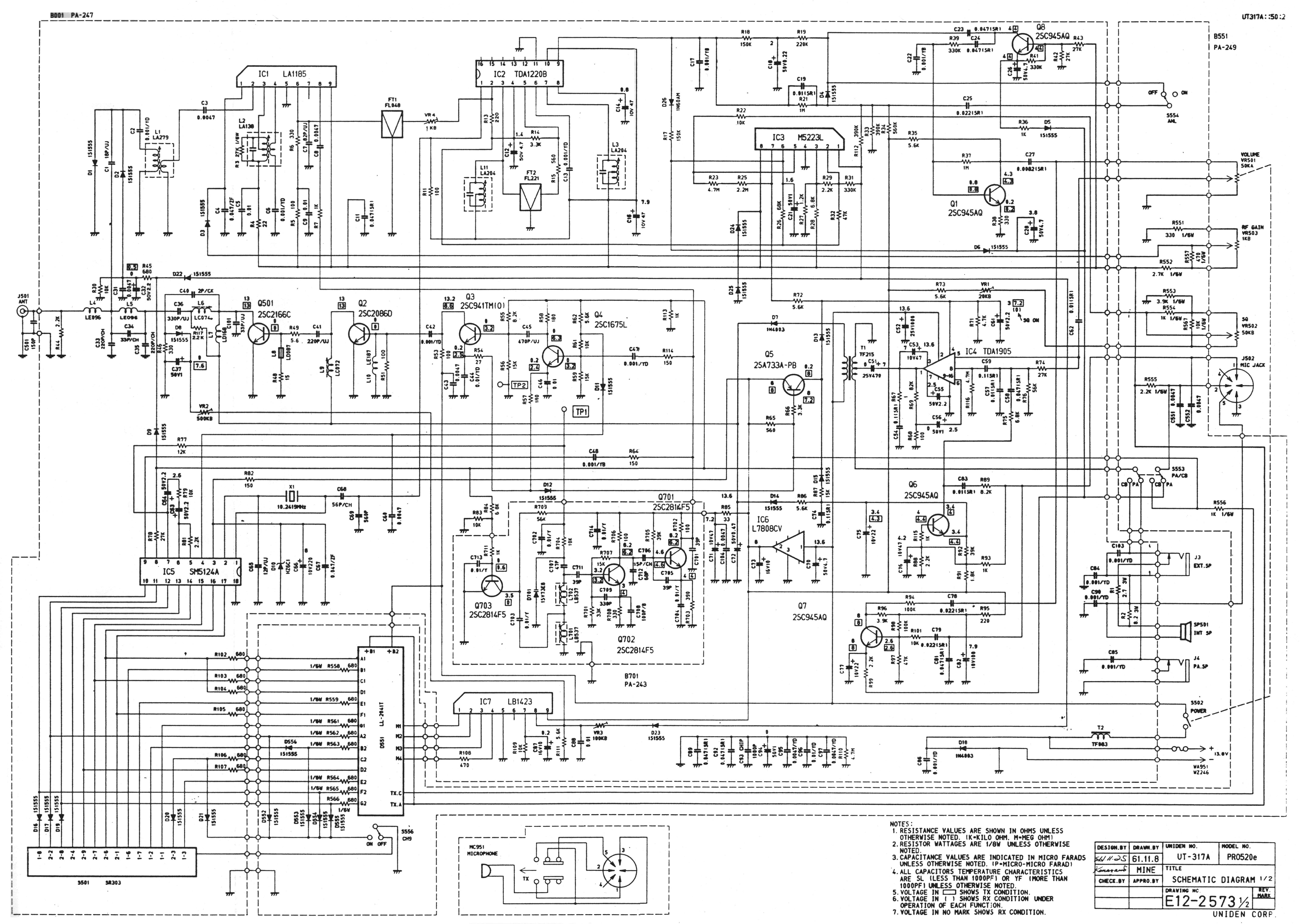
Uniden 520 XL - brakujące elementy 1, 2, 3 - jakie wartości?

kokson6001 08 Sie 2016 00:49 2010 4
REKLAMA
  • #1 15855492
    kokson6001
    Poziom 8  
    Witam panowie. W Unidenie, którego dostałem od kolegi, brakuje 3 elementów oznaczonych na zdjęciu jako 1, 2, 3. Czy ktoś pomoże mi podając ich wartości?
  • REKLAMA
  • #2 15855540
    Hektar Zahler
    Poziom 34  
    A takie co w każdym z taka syntezą.
  • REKLAMA
  • #3 15855554
    kokson6001
    Poziom 8  
    problem polega na tym że nie mogę nic odczytać tych elementów po prostu nie ma mało tego brak ścieżek patrząc na schemat i oznaczenia płyty nic z nim się nie zgadza
  • REKLAMA
  • #4 15855567
    Hektar Zahler
    Poziom 34  
    Bo tego oficjalnie nie ma. Za to do starego jest cały service manual.

    C65 C68 C69

    Uniden 520 XL - brakujące elementy 1, 2, 3 - jakie wartości?

    I schemat.

    Uniden 520 XL - brakujące elementy 1, 2, 3 - jakie wartości?
  • #5 15856488
    kokson6001
    Poziom 8  
    dziękuje za pomoc radio żyje
REKLAMA