logo elektroda
logo elektroda
X
logo elektroda
REKLAMA
REKLAMA
Adblock/uBlockOrigin/AdGuard mogą powodować znikanie niektórych postów z powodu nowej reguły.

Alan 48 Plus (1998) - Jak naprawić i zmodyfikować radio CB?

22 Sie 2016 08:08 8415 50
REKLAMA
  • #1 15883359
    Konto nie istnieje
    Konto nie istnieje  
  • REKLAMA
  • #2 15883613
    sp9nsq
    Poziom 15  
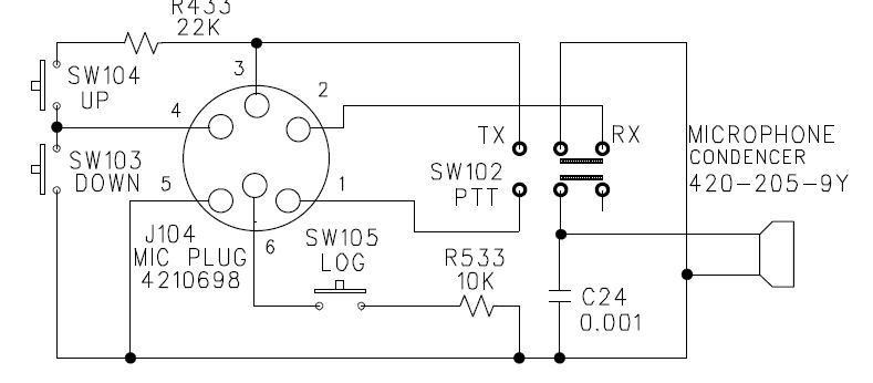
    Weź starą wtyczkę 6PIN i zrób sobie na mikroswitchu namiastkę wtyku mikrofonowego z przełączaniem nadawanie/odbiór. 5-masa, 2-RX, 3-TX. Przełącznik lutowany bezpośrednio do wtyczki mikrofonowej (oczywiście bez obudowy - sam plastik wtyczki. Do każdego typu gniazda mikrofonowego można przygotować sobie odpowiedni "zamiennik" mikrofonu (nie będzie tylko modulacja, ale od czego jest inwencja twórcy - wystarczy dołożyć wyprowadzenie na Mic i podłączać sygnał mcz.
  • #3 15883622
    Konto nie istnieje
    Konto nie istnieje  
  • REKLAMA
  • Pomocny post
    #4 15884024
    kriss51
    VIP Zasłużony dla elektroda
    alpika napisał:
    Ma ktoś sposób na uruchomienie odbioru bez mikrofonu?


    Złącz piny 5 z 2 w gniazdku mikrofonowym i powinien być odbiór.

    Złączając piny 5 z 3 uruchomisz nadajnik.
  • #5 15885530
    Hektar Zahler
    Poziom 34  
    Opornik jest dołożony równolegle do R730, który znajduje się na panelu.
    (doświetlenie LED klawiszy po 24V, albo awarii urządzenia zasilającego, choć to tylko moje domysły)
    Przelutowane w radiach są newralgiczne punkty.
    Syntezy nie były wymieniane, albo serwisant był mistrzem w swoim fachu.
    Są wmontowane jak być powinny.

    Tyle pitolenia.

    Co do pytania o parametry na kanale saxonwaw z najistotniejszych.
    Jako ciekawostkę podam, że 78 plus jako jedyne z rodziny ma tak doskonałą czułość mikrofonu.
    (zwracamy uwagę na włączoną opcję PEP miernika mocy)

    https://www.youtube.com/watch?v=3e9ZXR_EFZE

    Albo "how to peak and tune CB"

    http://www.wikihow.com/Peak-and-Tune-a-CB-Radio

    Co do na "bazę" kwestia przemyślenia, bo oba mają wadę konstrukcyjną ARW.
    (bez wymaganego moda będą przestery)

    Rzecz do pominięcia - wzmianka o zakłóceniach jak na wideo dotyczy wyłącznie 78 plus multi.
    I trzeba mieć na uwadze, że korozja zrobiła co miała zrobić..
  • #6 15885824
    Konto nie istnieje
    Konto nie istnieje  
  • #7 15886345
    kriss51
    VIP Zasłużony dla elektroda
    Sprawdź omomierzem który pin w gniazdku mikrofonowym jest masą i potem policz piny (powinien to być pin 5). Odbiór tak na szybko możesz sprawdzić podłączając jeden z pinów głośnika do masy. Możesz jeszcze odłączyć jeden z kabelków głośnika i na jednym z nich będzie przejście do jednego z pinów w gniazdku mikrofonowym. Ten pin to odbiór. Potem wystarczy go złączyć z pinem który jest masą. Tak bez schematu możesz sobie poradzić.
    Może okazać się że jest uszkodzona końcówka mcz.

    Jak przełączysz na FM i dasz głośność na full to słychać cichy szum z transformatora modulacyjnego?
  • REKLAMA
  • #8 15886404
    Hektar Zahler
    Poziom 34  
    Rozewrzeć w jakiś sposób zestyki gniazdka ext s meter jak skala opadnie uszkodzony IC102 - potwierdzisz to przez wyciągnięcie filtru kwarcowego, poprawnym napięciem zasilania jego (5 pin) oraz brakiem szumu na wyjściu (11 pin).
  • #9 15886413
    Konto nie istnieje
    Konto nie istnieje  
  • #10 15886415
    Hektar Zahler
    Poziom 34  
    Mini dżeka włóż to wystarczy.
  • #11 15886419
    Konto nie istnieje
    Konto nie istnieje  
  • #12 15886435
    Hektar Zahler
    Poziom 34  
    Widzę, że łatwo nie będzie. To znajdź duży zielony kondensator koło VCO C411 i podaj napięcie z niego. To będzie test syntezy.
  • #13 15886447
    kriss51
    VIP Zasłużony dla elektroda
    Podłączyłeś gorącą żyłę i oplot kabla bez anteny? Jeśli tak to kompletnie nic nie odbierzesz. Podłącz tylko gorącą żyłę bez oplotu i zobacz czy coś będzie słychać. Najlepiej podłącz tylko jakiś drut o długości 2,75m. Jeśli odbiornik sprawny będziesz coś słyszał na 19 kanale.
  • #14 15886458
    Konto nie istnieje
    Konto nie istnieje  
  • Pomocny post
    #15 15886476
    kriss51
    VIP Zasłużony dla elektroda
    Zrobiłeś najgorszą rzecz z możliwych. W ten sposób najszybciej możesz spalić końcówkę nadajnika. Podłącz jak pisałem jakiś drut o długości 2,75 m i zobacz czy coś usłyszysz na 19 kanale.
  • #16 15886520
    Konto nie istnieje
    Konto nie istnieje  
  • #17 15886543
    kriss51
    VIP Zasłużony dla elektroda
    Jak radio odbiera 9S szumu to zapewne nic nie usłyszysz, bo szum przykryje stacje. Musiał byś wyłączyć wszystko co szumi: komputery, routery, zasilacze impulsowe telewizory itp. Tak by zminimalizować szum. Potem dopiero próbować słuchać.
    Albo spróbować poza domem.
    Bo teraz nie wiadomo czy odbiornik nie działa, albo szum skutecznie uniemożliwia odbiór.

    Jeśli masz szum na full skalę to jest prawdopodobnym że SQ nie zadziała. Bez anteny też nie działa?
    Najlepiej gdybyś miał miernik częstotliwości i zmierzył częstotliwość VCO.

    Nadajnik działa? Znaczy czy jest moc?
  • #18 15886571
    Konto nie istnieje
    Konto nie istnieje  
  • Pomocny post
    #19 15886728
    kriss51
    VIP Zasłużony dla elektroda
    alpika napisał:
    Jak myślicie, opłacalna będzie próba przeróbki zasilacza od laptopa HP na zasilacz do CB?


    To też jest przetwornica i też może powodować szum jeśli antena będzie blisko niego w pokoju. Gdybyś miał antenę zainstalowaną na dachu to nie było by tego efektu. Najlepiej zrobić zasilacz oparty na transformatorze. Taki nie ma prawa szumieć.

    alpika napisał:
    Bez anteny działa jak by chciał a nie mógł. Zrobię porządek z zasilaniem i raz jeszcze go przetestuję.


    Czyli nie jest tak źle. Może wystarczy podkręcić peerkiem w radiu.
  • #20 15886913
    Konto nie istnieje
    Konto nie istnieje  
  • Pomocny post
    #21 15886928
    Hektar Zahler
    Poziom 34  
    Chłopie postaw chociaż namiastkę anteny.
    Bo oto przedziwna usterka wiąże ze sobą bezmyślnie wykonaną antenę LW.
    Synteza oki.

    Jak są problemy z zasilaniem nie zapominamy o bezpieczniku - plus dodatkowo można zabezpieczyć radio w taki sposób.

    Alan 48 Plus (1998) - Jak naprawić i zmodyfikować radio CB?
  • #22 15886940
    Konto nie istnieje
    Konto nie istnieje  
  • #23 15886987
    Hektar Zahler
    Poziom 34  
    Jak nie pamięta ustawień:

    - radio włłączone katoda D406 0k. 4.5V
    - radio wyłączone katoda D406 ok. 1V

    Jeżeli tak nie jest wina syntezy, względnie obwodu C434, C702.
    Jeżeli tak jest synteza nie przechodzi do uśpienia uszkodzony obwód Q416, DZ402.
  • #24 15887005
    kriss51
    VIP Zasłużony dla elektroda
    alpika napisał:
    Po wyłączeniu nie pamięta ustawień. Mówię o wyłączeniu pokrętłem a nie z zasilania.


    Nie masz napięcia podtrzymania. Zobacz czy podczas wymiany potencjometru przy pinach wyłącznika od str. zasilania jest wszystko ok. Może urwała się ścieżka lub coś źle polutowałeś. Innego wyjścia nie ma.
  • #25 15887245
    Konto nie istnieje
    Konto nie istnieje  
  • #26 15887497
    kriss51
    VIP Zasłużony dla elektroda
    Po co to rozebrałeś. Tylko roboty sobie narobiłeś. Zanim go rozebrałeś mogłeś go zmierzyć jak wcześniej pisałem. Naucz się czytać ze zrozumieniem. Skoro radio się włączał to włącznik był ok.
    Napisałeś przecież:

    alpika napisał:
    Wymieniłem potencjometry. Jeden od SQUELCHA a drugi VOLUME z włącznikiem. Radio zaczęło teraz reagować na regulację RF Gainem nawet. Niby zachowuje się poprawnie z małym minusem. Po wyłączeniu nie pamięta ustawień. Mówię o wyłączeniu pokrętłem a nie z zasilania.


    Kompletnie nie masz pojęcia co robisz.
    Jeszcze jedno.
    Jakim cudem zaczął działać poprawnie RF-gain skoro wymieniłeś potencjometry od volume i SQ?
    Czytasz herezje drugiego kolegi i teraz masz bałagan w temacie i wszystko robisz na odwrót. Naprawa tego radia nie powinna trwać więcej jak godzinę nawet dla laika.

    Dlaczego nie używasz miernika? Wszystko da się zmierzyć, a nie na tzw. oko wymieniać i dodatkową robotę sobie robić.

    Napisałem co jest prawdopodobną przyczyną że radio nie trzyma pamięci, a Ty swoje.
  • Pomocny post
    #27 15887752
    Hektar Zahler
    Poziom 34  
    Aby pojąć dlaczego nie pamięta kanałów usiadłem na godzinkę i pobawiłem się w pikassa.

    Alan 48 Plus (1998) - Jak naprawić i zmodyfikować radio CB?

    - na niebiesko zasilanie B+
    (widzimy, że uszkodzenia ON/OFF są bez znaczenia)
    - na zielono linia Vdd Maxona
    (R422 na wyłączonym obniża Vdd do ok. wolta)
    - na żółto 5V stabilizatora
    (D406 podwyższając napięcie załącza mikrokontroler)
    - na czerwono możliwa upływność na wyszczególnionych elementach

    Pomiar Vdd - poszukiwana j/w upływnośc do masy (wskutek starzenia się elementów, osadów, korozji, etc.).
    Jak wszystkie na czerwono dobre i nie ma napięcia, no to wiadomo - IC101.

    Jako podpowiedź przypomnę, że ta synteza pomimo, że wykazuje poprawną funkcjonalność, to po awarii na zasilaniu "systemowego" Vdd może już nie być 100% sprawna - było na forumenie kilkukrotnie, można poszukać.

    Do zainteresowanego.

    Prośba o czarno na białym co oczekuje po zapytaniu diagnoza.
  • REKLAMA
  • #28 15887762
    Konto nie istnieje
    Konto nie istnieje  
  • #29 15887832
    Hektar Zahler
    Poziom 34  
    Żeby nie męczyć już tego biednego Alana ustalmy na drugim radiu co z tymi zakłóceniami.

    Po prostu wystarczy pożyczyć coś od kolegi czy coś.
  • #30 15887863
    Konto nie istnieje
    Konto nie istnieje  
REKLAMA