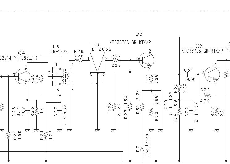
Proszę o pomoc w naprawie cb radia President Tommy. Po włączeniu radio chodziło ok 2sek. (było słychać odbiór) po czym ucichło. Po ponownym włączeniu już jest cicho. Dopiero po dłuższej przerwie 24h. znowu zaczyna być coś słychać przez 1sek. i znowu cisza.Jakby jakiś kondensator się ładował i trzymał 24h. Po przekręceniu SQL w lewo skrajnie cisza i po przekręceniu w prawo cisza. Tylko w jednej pozycji pokrętła po przekręceniu o ok 3 stopnie od skrajnej lewej w prawo słychać cichy szum. Końcówka mocy została wymieniona na nową i chyba końcówka od głosu tez nowa.
Proszę o małą poradę co mam sprawdzić. Czego spróbować. Z góry Dziękuję.

Proszę o małą poradę co mam sprawdzić. Czego spróbować. Z góry Dziękuję.