Opis:
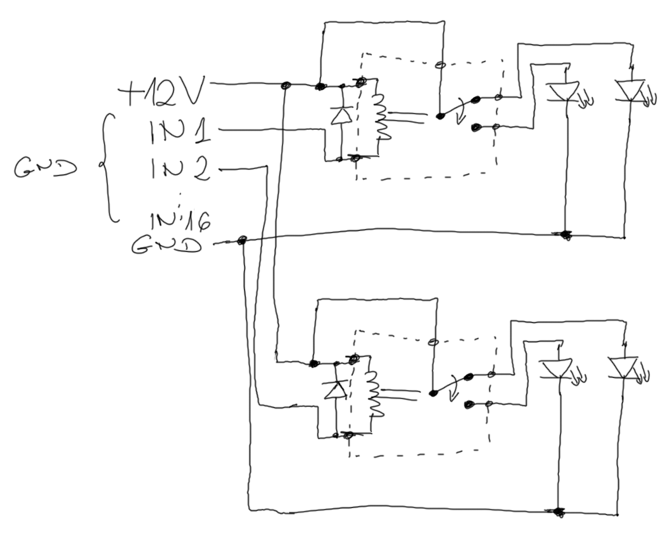
Układ jest tak prosty, że nie ma sensu zamieszczać schematu. Listwa przyłączeniowa 18-polowa (stałe +12VDC, stałe GND, 16x sterowanie GND), 16 przekaźników SPDT / DPDT, 16 diod LED zielonych podłączonych pod styk NC, 16 diod czerwonych podłączonych pod styk NO. Cewki przekaźników podłączone na stałe do wspólnego +12V na listwie połączeniowej, sterowane masą z kolejnych pól listwy. LEDy zasilane z tego samego źródła.
Interesuje mnie wycena i wykonanie:
a) projektu PCB,
b) wykonania PCB (wymiary pod wybraną obudowę),
c) zlutowania gotowego układu
lub minimum pierwszego z punktów.
Czas realizacji: 2-3 tygodnie
Forma płatności: przelew, gotówka
Forma umowy: umowa zlecenie, umowa o dzieło, zlecenie z fakturą
Układ jest tak prosty, że nie ma sensu zamieszczać schematu. Listwa przyłączeniowa 18-polowa (stałe +12VDC, stałe GND, 16x sterowanie GND), 16 przekaźników SPDT / DPDT, 16 diod LED zielonych podłączonych pod styk NC, 16 diod czerwonych podłączonych pod styk NO. Cewki przekaźników podłączone na stałe do wspólnego +12V na listwie połączeniowej, sterowane masą z kolejnych pól listwy. LEDy zasilane z tego samego źródła.
Interesuje mnie wycena i wykonanie:
a) projektu PCB,
b) wykonania PCB (wymiary pod wybraną obudowę),
c) zlutowania gotowego układu
lub minimum pierwszego z punktów.
Czas realizacji: 2-3 tygodnie
Forma płatności: przelew, gotówka
Forma umowy: umowa zlecenie, umowa o dzieło, zlecenie z fakturą
