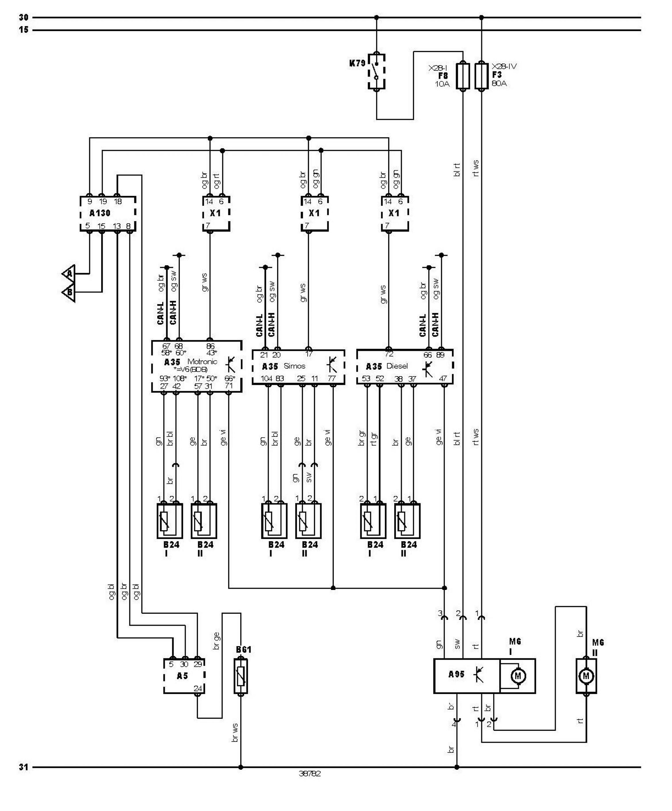
#1 15924984 11 Wrz 2016 16:13 Megawe Megawe Poziom 34 #1 15924984 11 Wrz 2016 16:13 Witam, szukam schematu modułu A95 w celu budowy nowego na zewnątrz lub naprawy starego.
#2 15925197 11 Wrz 2016 18:32 Strumien swiadomosci swia Strumien swiadomosc... Poziom 43 Pomocny post? (+3) #2 15925197 11 Wrz 2016 18:32 Bez problemu kupisz zamiennik i orginał wiatraka chłodnicy. Promuję tematy: 26.06.2022 Dlaczego warto kupić naświetlacz IR 12V? Opis zestawu. 21.01.2021 Powerbank 20000mAh skóra ELWORLD 04.01.2021 Podgrzewacz płynu 3000 W 230 V 29.12.2020 Naświetlacz LED 230V 100W Mam na sprzedaż: 26.01.2022 stk2058