Witam.
Audi A4 wyposażone w system Bose z subwooferem i wzmacniaczem.
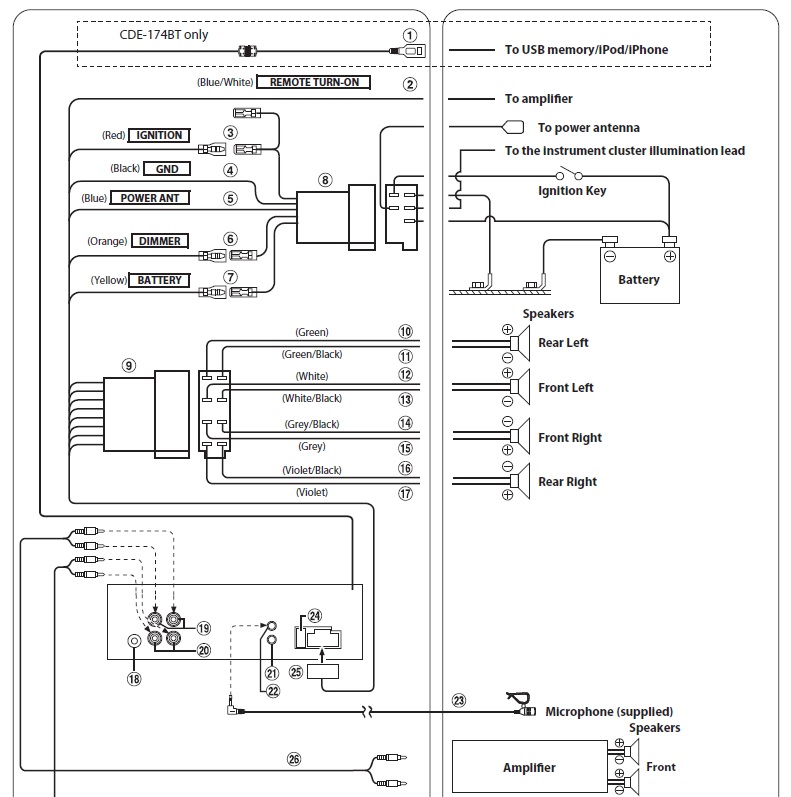
Wymieniłem radio z oryginalnego Concert II na Alpine UTE-72BT.
Podłączyłem poprzez adapter, dołączyłem niebiesko-biały przewód do aktywnego tyłu i wszystkie głośniki działają, tak samo jak odbiera dobrze radio.
Jest tylko jeden problem.
Po włączeniu radia słychać szum/zakłócenia z tylnych głośników, niezależnie od głośności czy źródła (bluetooth/radio/USB).
Szumienie występuje nawet jak ustawię "fader" tylko na przód i tył, niby nie gra ale i tak szumi/słychać zakłócenia.
Ktoś spotkał się z podobnym problemem?
Audi A4 wyposażone w system Bose z subwooferem i wzmacniaczem.
Wymieniłem radio z oryginalnego Concert II na Alpine UTE-72BT.
Podłączyłem poprzez adapter, dołączyłem niebiesko-biały przewód do aktywnego tyłu i wszystkie głośniki działają, tak samo jak odbiera dobrze radio.
Jest tylko jeden problem.
Po włączeniu radia słychać szum/zakłócenia z tylnych głośników, niezależnie od głośności czy źródła (bluetooth/radio/USB).
Szumienie występuje nawet jak ustawię "fader" tylko na przód i tył, niby nie gra ale i tak szumi/słychać zakłócenia.
Ktoś spotkał się z podobnym problemem?
