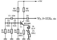
#1 15962351 29 Wrz 2016 17:28 Kacper9086 Kacper9086 Poziom 5 #1 15962351 29 Wrz 2016 17:28 Poszukuję schematu generatora sinusoidalnego na zasilanie 12V. Częstotliwość 1kHz lub więcej.
Pomocny post #2 15962403 29 Wrz 2016 17:55 krzysiozak krzysiozak Poziom 39 Pomocny post? (+2) Pomocny post #2 15962403 29 Wrz 2016 17:55 Zapytaj wujka Google. Zwłaszcza w grafikach jest tego pełno. Promuję tematy: 15.02.2022 Telewizyjno-radiowe zadanie do wywalczenia przez zielonych dla nas i potomnych 13.02.2019 Telewizyjno- telefoniczny automat do łączenia prywatnych rozmów towarzyskich.
Pomocny post #3 15966172 01 Paź 2016 18:06 tikka.masala tikka.masala Poziom 20 Pomocny post? (+2) Pomocny post #3 15966172 01 Paź 2016 18:06 Kacper9086 napisał: Poszukuję schematu generatora sinusoidalnego na zasilanie 12V. Częstotliwość 1kHz lub więcej. ICL8038 - już nieprodukowany ale na ebayu są chińskie (działające) kopie za grosze.