#1 15989544 12 Paź 2016 11:01 Budzikq Budzikq Poziom 9 #1 15989544 12 Paź 2016 11:01 Witam. Mam problem z pilotem centralnego zamka. Mianowicie brakuje rezystora r4. Szukałem lecz nie znalazłem schematu pilota. Z góry dziękuję za pomoc. Pozdrawiam
#2 15990995 12 Paź 2016 20:50 carrier carrier Specjalista - Alarmy Samochodowe Pomocny post? (0) #2 15990995 12 Paź 2016 20:50 nowy kosztuje 11,83zł http://bowi.com.pl/pilot-bx40_8940t GPS RFID E-CALL DALLAS SONDY (CYFROWE) CAN FMS D8 TMR LITRAŻOWANIE DOJAZD SENT-GEO TERMOMETRY E-TOLL CAN-IMMO - 603612134 https://www.youtube.com/c/ZabezpieczAutoPL/videos https://www.facebook.com/Carrier-199222403426194/
#3 15991226 12 Paź 2016 22:10 Budzikq Budzikq Poziom 9 Autor tematu Pomocny post? (0) #3 15991226 12 Paź 2016 22:10 Dziekuję za podpowiedź ale po co wymienić skoro można naprawić?
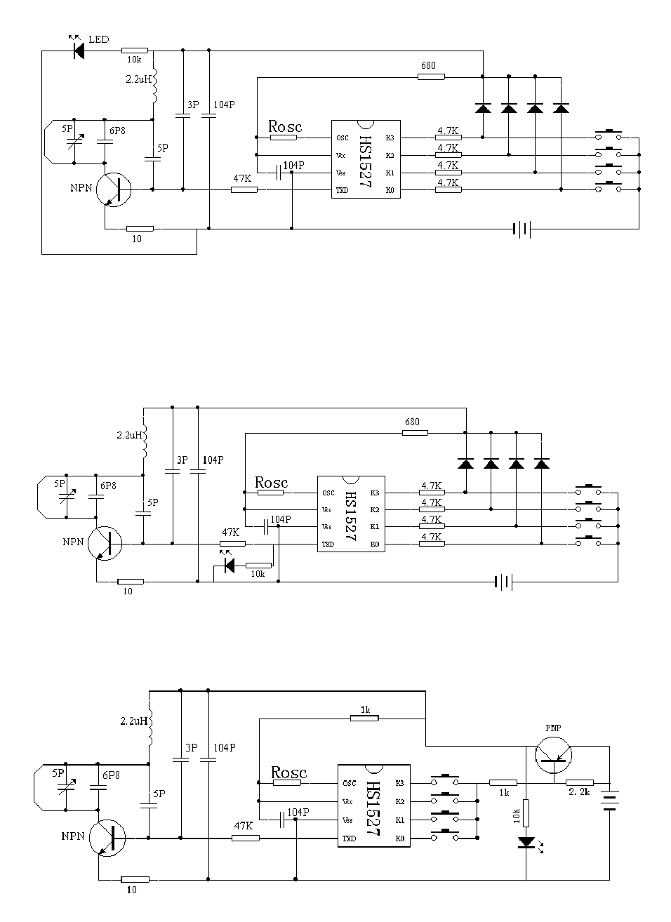
Pomocny post #4 15991432 12 Paź 2016 23:35 CameR CameR Konto firmowe Moderator Zabezpieczeń Pojazdów Pomocny post? (+1) Pomocny post #4 15991432 12 Paź 2016 23:35 Nie mam akurat pod ręką pilota CHR007 ale pilot CHR052 ma podobną budowę - HS1527. Pomogłem? Kup mi kawę.
#5 16022258 27 Paź 2016 19:17 Budzikq Budzikq Poziom 9 Autor tematu Pomocny post? (0) #5 16022258 27 Paź 2016 19:17 Dzięki za schemat. Do zmaknięcia.