logo elektroda
logo elektroda
X
logo elektroda
REKLAMA
REKLAMA
Adblock/uBlockOrigin/AdGuard mogą powodować znikanie niektórych postów z powodu nowej reguły.

Atmega8 - które piny do komunikacji z czujnikiem odległości HC-SR04?

Jaremka 29 Paź 2016 18:50 1260 4
REKLAMA
  • #1 16026140
    Jaremka
    Poziom 14  
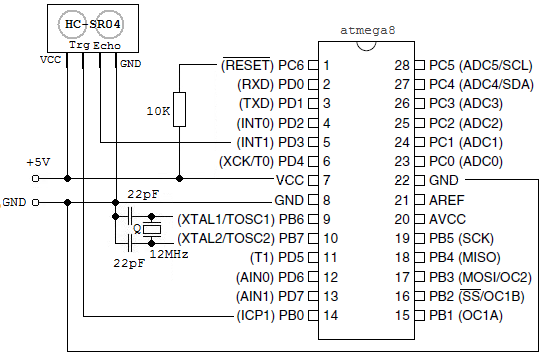
    W czujniku odległości HC-SR04 , które piny można wykorzystać do komunikacji układ ATmega 8
  • REKLAMA
  • REKLAMA
  • #3 16026196
    Marek Nawrocki
    Poziom 27  
    Witam !!
    Kolego , trochę nie precyzyjnie zadane pytanie.
    Wykorzystujesz w hc-sr04, trig i echo, a w atmega8 wszystko zależy od projektu i programu.
    dodaję przykładowy schemat znaleziony w sieci.
    Napisz w jakim języku piszesz ,co chcesz osiągnąć , może coś podeślę (jakieś przykłady)
    Pozdrawiam !!
  • REKLAMA
  • #4 16026197
    Jaremka
    Poziom 14  
    Korzystam z BASCOM
    Podłączone mam piny
    ECHO pin PD.3
    TRIG pin PD.4

    Stworzyłem taki program testowy

    Kod: VB.net
    Zaloguj się, aby zobaczyć kod



    Działa Prawidłowo
  • #5 16026244
    Marek Nawrocki
    Poziom 27  
    Witam !!
    Kolego zobacz stronkę http://kaktusa.pl/hc-sr04-bascom-avr/ , dużo Ci to wyjaśni.
    Mam kilka przykładów obsługi tego czujnika w języku bascom, ale wolę byś sam doszedł do tego jak obsługuje się ten czujnik, niż korzystał z gotowców.
REKLAMA