logo elektroda
logo elektroda
X
logo elektroda
REKLAMA
REKLAMA
Adblock/uBlockOrigin/AdGuard mogą powodować znikanie niektórych postów z powodu nowej reguły.

Wzmacniacz operacyjny do zasilacza: 1-2 kanały, >55V, niski poziom szumów, tani

FireEnd 31 Paź 2016 14:28 2454 18
REKLAMA
  • #1 16030208
    FireEnd
    Poziom 11  
    Witam.
    Szukam wzmacniacza operacyjnego. Powinien mieć: 1-2 kanały, napięcie zasilania/pracy > 55V, i w miarę niski poziom szumów.
    Wzmacniacz ma pracować w zasilaczu, do pomiaru natężenia za pomocą rezystora bocznikującego. Jako, że napięcie wyjściowe zasilacza może osiągnąć nawet 55V, to wzmacniacz musi sobie radzić z dużymi napięciami, a ponieważ napięcia spadku na boczniku będą wynosiły kilkanaście milivoltów, poziom szumów powinien być dość niski. Oczywiście liczy się także cena, gdyż np. MAX4080SASA+ wydaje mi się zbyt drogi.
  • REKLAMA
  • #2 16030247
    Wojtek(KeFir)
    Poziom 42  
    Ale czemu chcesz go zasilać z tak dużego napięcia? Zrób sobie stabilizator na diodzie zenera i zbij to napięcie.
  • #4 16030424
    FireEnd
    Poziom 11  
    A nie będzie problemu z tolerancją rezystorów? Potrzebuję przecież porównać napięcia rzędu nawet 55V różniących się o kilkanaście milivoltów. Rezystory w dzielnikach nie "popsują" tak niewielkiej różnicy?
  • #5 16030801
    Konto nie istnieje
    Poziom 1  
  • REKLAMA
  • #6 16031335
    FireEnd
    Poziom 11  
    Ok, czyli lepiej zrobić to inaczej. Tylko jak? Układ "pływający" nie wiele mi mówi, a w googlach ciężko o info na ten temat.
  • #7 16031360
    Konto nie istnieje
    Poziom 1  
  • REKLAMA
  • #9 16031885
    FireEnd
    Poziom 11  
    No właśnie w minus nie bardzo, bo zasilacz ma dwa kanały, i pomiar ma być na każdym osobno, więc rezystor musi być na plusie. Ja chcę go wstawić od razu na wyjściu.
  • #10 16031896
    Konto nie istnieje
    Poziom 1  
  • #11 16031900
    FireEnd
    Poziom 11  
    Niestety nie da rady, bo zasilacz już gotowy, i ma jeden transformator sieciowy, jeden prostownik i zasila dwie przetwornice step-down o wspólnej masie. Rozdzielenie mas nie wchodzi w grę. Pod masę dałoby jedynie sumę prądów obu kanałów, a to bez sensu. Boczniki muszą być na plusach. Tylko problem z tymi napięciami.
  • REKLAMA
  • #12 16031923
    Konto nie istnieje
    Poziom 1  
  • #13 16031988
    FireEnd
    Poziom 11  
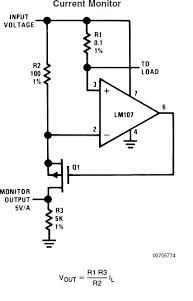
    Czyli rysunek 4 pokazuje wzmacniacz zasilany napięciem +Vin w dodatniej części i "Vin - 4V" w ujemnej, i tak steruje mosfetem, że na wyjściu otrzymujemy pomiar względem masy? Wygląda sensownie. Jak policzyć rezystor R9, aby wzmocnienie było na poprawnym poziomie? I jakie parametry powinien mieć tranzystor Q3, głównie chodzi mi o Vds oraz Vgs?
  • #14 16032074
    Konto nie istnieje
    Poziom 1  
  • #15 16032208
    FireEnd
    Poziom 11  
    Ok, teraz rozumiem :D To jeszcze pytanie, na jakie parametry przy wyborze wo trzeba zwrócić uwagę? Domyślam się że input offset. Jaki będzie dobry?
  • #16 16032258
    Konto nie istnieje
    Poziom 1  
  • #17 16032419
    FireEnd
    Poziom 11  
    To chyba wszystko wiem. Jak znajdę chwilę czasu żeby przetestować, dam znać ;)
  • #18 16105523
    FireEnd
    Poziom 11  
    Ciągle nie mam wystarczająco czasu na testowanie układu, ale mam pomysł/pytanie. A gdyby tak dodatni pin zasilania wzmacniacza operacyjnego odłączyć od rezystora bocznikującego i przez rezystor podłączyć do zasilania, a diodę zenera wpiąć pomiędzy + i - zasilania wo? Rozwiązałoby to problem "input offset" nie psując działania układu?
  • #19 16105597
    Konto nie istnieje
    Poziom 1  
REKLAMA