logo elektroda
logo elektroda
X
logo elektroda
Adblock/uBlockOrigin/AdGuard mogą powodować znikanie niektórych postów z powodu nowej reguły.

Stary suboofer podłączenie zamiast do prądu to do akumulatora.

RikardoMX3 12 Lis 2016 18:16 867 17
  • #1 16056951
    RikardoMX3
    Poziom 8  
    Witam , mam pytanie czy da się podłączyć stary suboofer od jakiegoś nawet nie wiem sprzętu grającego do akumulatora w samochodzie ? Na subooferze w miejscu zasilania pisze AC POWER 12V/3A , podłączyłem pierwszy lepszy zasilacz 12V 5 A i pod prądem działa. Wiec teraz pytanie czy da sie go zasilić akumulatorem z samochodu ? Z góry dzięki za odpowiedź ;)
  • #2 16056973
    sosarek

    Poziom 43  
    RikardoMX3 napisał:
    stary suboofer od jakiegoś nawet nie wiem sprzętu grającego

    Bardzo szczegółowy opis urządzenia, nie ma co...
    RikardoMX3 napisał:
    AC POWER 12V/3A

    AC to napięcie zmienne, a z akumulatora otrzymujemy stałe(+ i -).
    Pomogłem? Kup mi kawę.
  • #3 16057004
    RikardoMX3
    Poziom 8  
    Stary suboofer podłączenie zamiast do prądu to do akumulatora.

    Jak widać coś takiego
  • #4 16057014
    sosarek

    Poziom 43  
    Wiesz czym różni się prąd zmienny od stałego, i jak są oznaczane?
    Odkręć tylni panel i sprawdź czy w środku znajduje się układ zasilacza.
    Pomogłem? Kup mi kawę.
  • #5 16057031
    krisRaba
    Poziom 31  
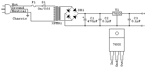
    Ogólnie w miejsce AC POWER w zastosowaniu domowym podłączasz trafo na kablu zasilającym. Jeśli mówisz, że działa na zasilaczu DC.. hmm.. musiałbyś pokazać jakieś foto płytki z elektroniką w środku. Teoretycznie na bazie zasilania AC w środku powinna być tworzona dodatnia i ujemna szyna zasilająca dla wszelkich wzmacniaczy i stopni wyjściowych. Podając DC masz możliwość utworzenia tylko dodatniej. W związku z tym spodziewałbym się, że wzmacniacz/sub gra, ale gorzej niż na zasilaniu AC, bo ma tylko dodatnią szynę zasilającą. Możesz to sprawdzić utrzymując to samo źródło sygnału (np. jakiś dźwięk testowy, są na YT nazwane jakoś w rodzaju "bass test" itp), tę samą głośność i zasilając raz z AC, raz z DC... może już na ucho usłyszysz różnicę.

    Oczywiście da się to skonstruować inaczej, że z DC zagra jak trzeba, bo przecież jest mnóstwo sprzętu car audio, które na wejściu nie mają AC...
    Tylko jeśli producent założył sobie w tym przypadku taką a nie inną koncepcję, to może nie zadziałać tak jak w jego założeniu. Chyba że w środku masz po prostu zwykły mostek Gretza i filtry, i producent sam sobie robi z tego pojedyncze zasilanie DC.

    Fotki elektroniki w środku powiedziałyby całkiem sporo w tym temacie.
  • #6 16057043
    RikardoMX3
    Poziom 8  
    Stary suboofer podłączenie zamiast do prądu to do akumulatora.

    Powiem tak od wejscia na zasilanie , czerwony idzie od razu do płytki drukowanej. Jeśli chodzi o taka elektrykę to jednak jestem dość słaby. Tak naprawdę to chce tego użyć do zasilenia jako wzmacniacz do mocniejszego głośnika ale pierwsze chciałbym ogólnie to odpalić przy użyciu akumulatora. Tylko boje się w sumie bezpośrednio podpiąć kable bo nie chciałbym spalić zasilacza.
  • #7 16057053
    sosarek

    Poziom 43  
    Daj jeszcze zdjęcia płytek, ale wydaje mi się że nie ma wewnątrz zasilacza i urządzenie wymaga zasilania napięciem stałym(DC), co do innego głośnika - mocy to tutaj nie ma, więc nie wiem czy warto cokolwiek robić w tym kierunku.
    Pomogłem? Kup mi kawę.
  • #8 16057060
    krisRaba
    Poziom 31  
    Cóż, mistrzostwo w robieniu zdjęć to to nie jest. Zrobiłeś ogólne zdjęcie gluta, z czego nie da się nic wywnioskować :) To co widać z elektroniki gołym okiem sfotografuj dokładnie. Tego gluta też pod różnymi kątami, to może będzie widać co tam jest zalane..
  • #9 16057078
    RikardoMX3
    Poziom 8  
    Stary suboofer podłączenie zamiast do prądu to do akumulatora.

    Ogólnie wiem że może to nie wzmocni jak zwykły wzmacniacz ale zależy mi też na tym aby dźwięk z radia szedł chinchami do głośnika.
  • #10 16057081
    krisRaba
    Poziom 31  
    Teraz jeszcze patrzę, że pod glutem jest wyjście na głośniki, więc to nas aż tak nie interesuje. Prześledź dokąd lecą kabelki z wtyku i przełącznika - jak namierzysz, to zrób dokładne fotki miejsca docelowego, bo tam będzie zasilacz/mostek czy cokolwiek z tym związane.
  • #11 16057108
    RikardoMX3
    Poziom 8  
    Stary suboofer podłączenie zamiast do prądu to do akumulatora.
    Stary suboofer podłączenie zamiast do prądu to do akumulatora. Stary suboofer podłączenie zamiast do prądu to do akumulatora.



    Kabel lekko zakrył napis " ACIN " kable wchodzą prosto w płytkę . Zrobiłem zdjęcia również 2 stron płytki w którą wchodzą kable zasilające .
  • #12 16057268
    krisRaba
    Poziom 31  
    Ogólnie to właśnie płytka, która nas interesuje, natomiast zdjęcia są strasznie słabej rozdzielczości. Skalujesz je przed dodaniem? Jeśli tak, to wrzucaj oryginalny rozmiar, bo zawsze można coś wtedy powiększyć i dokładniej się przyjrzeć.

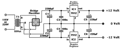
    Na dzień dobry zasilanie prawdopodobnie trafia na mostek Gretza (ten z radiatorem). To jeszcze nie świadczy o niczym, bo zarówno przy zasilaniu symetrycznym i niesymetrycznym tak będzie. Natomiast we wszystkich schematach na jakie na szybko trafiłem, jeśli zasilanie na wyjściu mostka ma być symetryczne, to wyciągają jeszcze dodatkowy odczep z trafo jako masę.
    Stary suboofer podłączenie zamiast do prądu to do akumulatora.
    U ciebie są na wejściu tylko dwa przewody, nie trzy, więc wnioskowałbym z tego, że zasilanie jednak będzie niesymetryczne.
    Stary suboofer podłączenie zamiast do prądu to do akumulatora.
    W takim przypadku zasilanie z DC nie stanowi problemu.

    Żeby to sobie potwierdzić możesz poszukać stabilizatorów i je policzyć. W głębi widzę jakiś element w obudowie TO220, ale trochę dziwne, że bez radiatora. Czy po lewej do tylnej blachy jest coś przykręcone? Jest tam jakaś jakby obejma. Na płytce chyba jest opis IC4, więc coś tam może być.
  • #13 16057328
    RikardoMX3
    Poziom 8  
    Blacha działa jako radiator dla IC3 i IC4 , Czyli rozumiem że podłączać zasilacz bezpośrednio do akumulatora z tego co kojarzę 56Ah ? Dodaje zdjęcia mam nadzieje że w lepszej jakości, jest jedno górnej płytki.

    Stary suboofer podłączenie zamiast do prądu to do akumulatora. Stary suboofer podłączenie zamiast do prądu to do akumulatora. Stary suboofer podłączenie zamiast do prądu to do akumulatora. Stary suboofer podłączenie zamiast do prądu to do akumulatora. Stary suboofer podłączenie zamiast do prądu to do akumulatora.
  • #14 16057355
    krisRaba
    Poziom 31  
    Nigdy bez bezpiecznika, bo w przypadku zwarcia te kabelki zaświecą Ci jasnym płomieniem ;)
    Na tych zdjęciach te IC wygladają jak końcówki mocy, nie jak regulatory.

    Ale może jeszcze wstrzymaj się chwilkę, żeby ktoś dobrze obeznany w audio Ci to wszystko potwierdził. Choć swoją drogą i tak zrobiłeś już drastyczny test podłączając ot tak sobie DC do AC ;)
  • #15 16057399
    RikardoMX3
    Poziom 8  
    Stary suboofer podłączenie zamiast do prądu to do akumulatora. Stary suboofer podłączenie zamiast do prądu to do akumulatora.

    Rozumiem że takie szatańskie zasilanie nie wchodzi w grę ? No cóż w garażu ładuje mi się już akumulator zaraz pójdę zobaczyć z czym to się ma .
  • #16 16057433
    krisRaba
    Poziom 31  
    Widzisz, gdyby to zdjęcie było zrobione lepszym aparatem, to dałoby się przeczytać nawet oznaczenia, a tak nie da rady niestety.
    Możesz jeszcze poczytać opisy kabelków odchodzących z tej płytki. Ale widać np. konektor podpisany (Sub?)woofer i +-SP oraz kabelek czerwono-czarny, czyli odchodzi stąd tylko + i -, a nie zasilanie symetryczne.
  • #17 16057623
    RikardoMX3
    Poziom 8  
    Dzięki panowie za pomoc , podłączyłem normalnie na tych krokodylkach do akumulatora i pięknie gra :D Podłączyłem to małe coś pod wielką skrzynie basową i powiem wam że jako domowy wzmacniacz działa zaje... :D
  • #18 16057757
    krisRaba
    Poziom 31  
    Tylko dodaj tam jeszcze bezpiecznik ;)
REKLAMA