logo elektroda
logo elektroda
X
logo elektroda
REKLAMA
REKLAMA
Adblock/uBlockOrigin/AdGuard mogą powodować znikanie niektórych postów z powodu nowej reguły.

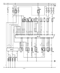
Schemat wtyczek ECU do Opel Astra H 1.7 CDTI Z17DTH

rafao3 21 Lis 2016 15:54 13050 1
REKLAMA
  • #1 16076596
    rafao3
    Poziom 2  
    Witam. Potrzebny schemat wtyczek ECU Astra H Z17DTH.
  • REKLAMA
REKLAMA