logo elektroda
logo elektroda
X
logo elektroda
REKLAMA
REKLAMA
Adblock/uBlockOrigin/AdGuard mogą powodować znikanie niektórych postów z powodu nowej reguły.

Jak podłączyć 10 lub więcej diod LED do układu NE555?

RPGmagister 27 Lis 2016 19:57 1041 2
REKLAMA
  • #1 16090022
    RPGmagister
    Poziom 6  
    Witam. Zbudowałem sobie ostatnio migającą diodę LED na układzie NE555. Jedna dioda działa (miga)-super. Interesuje mnie jak zrobić by np. 10 diod migało lub więcej. Proszę o wskazówki gdzie tego szukać lub o konkretne informacje. Dziękuje.
  • REKLAMA
  • #2 16090053
    anders11
    Poziom 30  
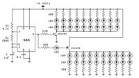
    To jedno z wielu rozwiązań
    Jak podłączyć 10 lub więcej diod LED do układu NE555?
  • #3 16090068
    Konto nie istnieje
    Konto nie istnieje  
REKLAMA