Wstawienie multipleksera w tor sygnałowy to prosta rzecz... nie? Przecież taki układ tylko przełącza inny sygnał z wejść na wyjście i podaje go dalej np. do przetwornika analogowo-cyfrowego...
Niestety - w rzeczywistości elektronika nic nie jest proste. Multiplekser może mieć ogromny wpływ na tor sygnałowy. Na przykład pojemności pomiędzy kanałami mogą doprowadzać do przesłuchów, a zmiany jego parametrów pracy w funkcji temperatury mogą poważnie zniekształcać sygnał. Idąc dalej - pojemność i opór multipleksera formują filtr, który ogranicza pasmo naszego toru sygnałowego. Podczas przełączania pojawiać się mogą stany nieustalone, co może mieć wpływ na czas ustalania się napięcia po przełączeniu etc. Wprowadzenie multipleksera w tor analogowy to nad wyraz skomplikowana sprawa (jak i wszystkie inne elementy tego toru).
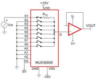
Aby poprawnie zaprojektować system z multiplekserem konieczne jest dogłębne zrozumienie jego działania i różnorakich metod wpływu tego elementu na sygnał, szczególnie, że multiplekser zoptymalizowany pod kątem pewnych aplikacji niekoniecznie musi sprawdzać się w innych. Poniżej, na rysunku 1 przedstawiono typowy układ z multiplekserem podłączonym do wejścia wzmacniacza operacyjnego.
Rys.1. Schemat układu z multiplekserem i wzmacniaczem odwracającym, w jakim pojawia się błąd wzmocnienia.
Zaprezentowany powyżej układ to jedna z popularnych architektur wykorzystania multipleksera, ale jak pokażemy poniżej, jego wykorzystanie wiąże się z powstaniem pewnego błędu wzmocnienia. Załóżmy, że wzmacniacz operacyjny jest idealny - nie wprowadza offsetu, nie potrzebuje prądu do polaryzacji wejścia i nie ma ograniczeń napięcia wejściowego i wyjściowego. Wzmocnienie sygnału w takim układzie opisać możemy wzorem:
Ale ponieważ multiplekser, np. MUX36S08 to nie układ idealny, ma on pewną wewnętrzną pojemność jak i rezystancję załączonego toru. Ta ostatnia wynosi 125 ?. Jeśli w równaniu 1 uwzględnimy rezystancję multipleksera to wzmocnienie opisane będzie wzorem:
Wzmocnienie wyznaczone w równaniu 2 jest sporym problemem, jeśli do wyjścia wzmacniacza podłączony jest np. przetwornik ADC, ponieważ przy mniejszym niż 1 wzmocnieniu nie zostanie on w pełni wysterowany - niemalże 40% zakresu układu nie będzie wykorzystane. Dodatkowo, należy pamiętać, że wartość rezystancji załączonego toru w multiplekserze zależna jest od wielu czynników: temperatury, napięcia wejściowego i napięcia zasilania układu, co oznacza, że błąd wzmocnienia będzie zmieniał się w rytm tych zmiennych.
Rysunek 2 pokazuje wykres rezystancji MUX36S08 w funkcji napięcia drenu i dla różnych temperatur. Zmiana rezystancji w funkcji napięcia wejściowego układu opisywana jest źródłem nieliniowego zachowania tego elementu w torze sygnałowym. Jeśli uwzględnimy wszystkie czynniki wpływające na wartość tego oporu i wyobrazimy sobie sytuację w której na układ z rysunku 1 podajemy sygnał ? 18 V w temperaturach w pełnym zakresie pracy tego układu, tj. od -40°C do 125°C to rezystancja multipleksera zmieniać się będzie od 75 ? do 250 ?, co da wypadkowe wzmocnienie takiego układu wynoszące od -0,44 do -0,73.
Na szczęście istnieją sposoby, aby móc zignorować tą wartość jeśli odpowiednio zaprojektuje się układ. Na rysunku 3 zaprezentowany jest multiplekser podłączony do wzmacniacza pracującego jako bufor. Z uwagi na dużą impedancję wejścia wzmacniacza błędy powodowane zmianą rezystancji multipleksera są pomijalne.
Oczywiście, nie jest to jedyny sposób w jaki multiplekser wpływa na tor sygnałowy i warto pamiętać, aby nie pomijać tego elementu w analizie toru sygnałowego. Może on powodować znaczne zniekształcenia w sygnale czy też ograniczać jego pasmo, jak wspomniano powyżej.
Źródło: http://e2e.ti.com/blogs_/b/precisionhub/archive/2016/11/18/multiplexers-not-so-simple
Niestety - w rzeczywistości elektronika nic nie jest proste. Multiplekser może mieć ogromny wpływ na tor sygnałowy. Na przykład pojemności pomiędzy kanałami mogą doprowadzać do przesłuchów, a zmiany jego parametrów pracy w funkcji temperatury mogą poważnie zniekształcać sygnał. Idąc dalej - pojemność i opór multipleksera formują filtr, który ogranicza pasmo naszego toru sygnałowego. Podczas przełączania pojawiać się mogą stany nieustalone, co może mieć wpływ na czas ustalania się napięcia po przełączeniu etc. Wprowadzenie multipleksera w tor analogowy to nad wyraz skomplikowana sprawa (jak i wszystkie inne elementy tego toru).
Aby poprawnie zaprojektować system z multiplekserem konieczne jest dogłębne zrozumienie jego działania i różnorakich metod wpływu tego elementu na sygnał, szczególnie, że multiplekser zoptymalizowany pod kątem pewnych aplikacji niekoniecznie musi sprawdzać się w innych. Poniżej, na rysunku 1 przedstawiono typowy układ z multiplekserem podłączonym do wejścia wzmacniacza operacyjnego.
Rys.1. Schemat układu z multiplekserem i wzmacniaczem odwracającym, w jakim pojawia się błąd wzmocnienia.
Zaprezentowany powyżej układ to jedna z popularnych architektur wykorzystania multipleksera, ale jak pokażemy poniżej, jego wykorzystanie wiąże się z powstaniem pewnego błędu wzmocnienia. Załóżmy, że wzmacniacz operacyjny jest idealny - nie wprowadza offsetu, nie potrzebuje prądu do polaryzacji wejścia i nie ma ograniczeń napięcia wejściowego i wyjściowego. Wzmocnienie sygnału w takim układzie opisać możemy wzorem:
$$G = -\frac{RF}{R_1} = -\frac{200}{200} = -1$$(1)
Ale ponieważ multiplekser, np. MUX36S08 to nie układ idealny, ma on pewną wewnętrzną pojemność jak i rezystancję załączonego toru. Ta ostatnia wynosi 125 ?. Jeśli w równaniu 1 uwzględnimy rezystancję multipleksera to wzmocnienie opisane będzie wzorem:
$$AG = -\frac{RF}{R_{on}+R_1} = -\frac{200}{125+200} = -0.615$$(2)
Wzmocnienie wyznaczone w równaniu 2 jest sporym problemem, jeśli do wyjścia wzmacniacza podłączony jest np. przetwornik ADC, ponieważ przy mniejszym niż 1 wzmocnieniu nie zostanie on w pełni wysterowany - niemalże 40% zakresu układu nie będzie wykorzystane. Dodatkowo, należy pamiętać, że wartość rezystancji załączonego toru w multiplekserze zależna jest od wielu czynników: temperatury, napięcia wejściowego i napięcia zasilania układu, co oznacza, że błąd wzmocnienia będzie zmieniał się w rytm tych zmiennych.
Rysunek 2 pokazuje wykres rezystancji MUX36S08 w funkcji napięcia drenu i dla różnych temperatur. Zmiana rezystancji w funkcji napięcia wejściowego układu opisywana jest źródłem nieliniowego zachowania tego elementu w torze sygnałowym. Jeśli uwzględnimy wszystkie czynniki wpływające na wartość tego oporu i wyobrazimy sobie sytuację w której na układ z rysunku 1 podajemy sygnał ? 18 V w temperaturach w pełnym zakresie pracy tego układu, tj. od -40°C do 125°C to rezystancja multipleksera zmieniać się będzie od 75 ? do 250 ?, co da wypadkowe wzmocnienie takiego układu wynoszące od -0,44 do -0,73.
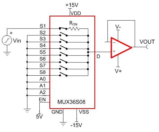
Na szczęście istnieją sposoby, aby móc zignorować tą wartość jeśli odpowiednio zaprojektuje się układ. Na rysunku 3 zaprezentowany jest multiplekser podłączony do wzmacniacza pracującego jako bufor. Z uwagi na dużą impedancję wejścia wzmacniacza błędy powodowane zmianą rezystancji multipleksera są pomijalne.
Oczywiście, nie jest to jedyny sposób w jaki multiplekser wpływa na tor sygnałowy i warto pamiętać, aby nie pomijać tego elementu w analizie toru sygnałowego. Może on powodować znaczne zniekształcenia w sygnale czy też ograniczać jego pasmo, jak wspomniano powyżej.
Źródło: http://e2e.ti.com/blogs_/b/precisionhub/archive/2016/11/18/multiplexers-not-so-simple
Fajne? Ranking DIY