logo elektroda
logo elektroda
X
logo elektroda
REKLAMA
REKLAMA
Adblock/uBlockOrigin/AdGuard mogą powodować znikanie niektórych postów z powodu nowej reguły.

Superforteca, fałszywe alarmy.

elektryk 14 Lip 2005 21:28 4733 21
REKLAMA
  • #1 1654180
    elektryk
    Poziom 42  
    Po włączeniu, nie wykazuje błędów czujnika drzwi, alarm się załącza. Po bliżej nie określonym czasie od 5minut, do 2-3 godzin, system generuje alarm. Przełączniki drzwiowe i czujniki w klapach są czyste i suche. Odległość między stykami czujników szacuje na jakieś 5mm (specjalnie próbowałem "wydłużać" fabryczne czujniki. Po rozbrojeniu alarm wydaje 2 sygnały syreną na wyłączenie i 2 sygnały (czujniki drzwi). Pierwszy wniosek to było błędne działanie czujników spowodowane naprężeniem się uszczelki w drzwiach i wyginaniem się klapy na słońcu, jednak to zostało poprawione przeze mnie. Pod moim okiem alarm chodził przez 2 godziny, w tym czasie ładnie świeciło słoneczko, wiał wiaterek i nawet przez moment spadł deszcz i nie wywołało to żadnego alarmu. Prosze o dalsze sugestie czego szukać. Samochód nie posiada bajerów w stylu opóźnionego gaszenia światła wewnątrz.

    PS dla potomności zostawiam notke że superforteca źle współpracuje z czujnikiem ADM-8, czujnik generuje za krótki sygnał prealarmu (a nawet generuje 2 impulsy).
  • REKLAMA
  • Pomocny post
    #2 1654631
    bialasmax
    Poziom 13  
    a właśnie czy masz może podłonczony mikrofalowy czujnik ruchu ,bo jeśli tak to zacznij od tego
    Pozdrawiam
  • #3 1654801
    elektryk
    Poziom 42  
    bialasmax napisał:
    a właśnie czy masz może podłonczony mikrofalowy czujnik ruchu ,bo jeśli tak to zacznij od tego
    Nie mikrofale wykluczam, po wyzwoleniu czujnika dodatkowego, przy wyłączniu jest jeden dodatkowy impuls.
  • Pomocny post
    #4 1654948
    sivex
    Poziom 27  
    A co to za autko? Moze skoda?
  • REKLAMA
  • Pomocny post
    #5 1656032
    psiemek
    Poziom 21  
    Miałem takie przeboje z Fiatem Panda. Komputerek samochodu generuje co bliżej nie ustalony czas impulsy na liniach czujnikow drzwiowych i przy niektórych alarmach wyzwala się alarm. Wstaw diodę (lub nawet 2) w szereg na linii idącej od komputerka do czujników lub od centralki alarmu do czujników. To drugie rozwiązanie nie zawsze pomaga więc wtedy trzeba szukać kabli idących do komputerka.
  • Pomocny post
    #6 1656094
    sivex
    Poziom 27  
    W skodzie fabia jest to samo dlatego pytalem.
  • #7 1661038
    elektryk
    Poziom 42  
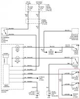
    Samochód Mazda MX-5, na schemacie którym dysponuje (dokładny rocznik i dwie wersje skrzyni biegów na schemacie uwzględnione), wskazuje że wyłączniki drzwiowe są podłączone do "instrument cluster". Patrz schemat niżej. Niestety w czasie montowania natrafiłem na moduł regulacji jasności podświetlenia, który miał w sobie zintegrowany buzzer przypominający o niezgaszonych światłach i nie zgadzałoby się to z załąćzonym schematem (chodzi o ilość kabli). "Interior ligth system" jest zbudowany klasycznie, czyli przełącznik 3 pozycyjny (masa/drzwi/nic), żarówka i zasilanie. Jutro spróbuje walczyć dalej, być może jednak tu tkwi problem.
  • REKLAMA
  • Pomocny post
    #8 1661501
    sivex
    Poziom 27  
    Nie wnikalem za mocno w ten schemacik ale zauwarzylem na schemacie superfortecy ze powinienes podlaczyc rezystor 470ohm dociagajacy do plusa.
  • #9 1662017
    elektryk
    Poziom 42  
    sivex napisał:
    Nie wnikalem za mocno w ten schemacik ale zauwarzylem na schemacie superfortecy ze powinienes podlaczyc rezystor 470ohm dociagajacy do plusa.
    Z czego to wynika? Bo na mój chłopski rozum to żeby alarm dobrze działał, to powinienem mieć na wejściu jakiś układ pull-up.
  • Pomocny post
    #10 1662062
    psiemek
    Poziom 21  
    Teoretycznie masz rację jednak po drodze jest jeszcze dioda włączona w szereg. Więc dorzucenie rezystorka pull-up też teoretycznie powinno zmniejszyć występowanie tych impulsów o których pisałem wcześniej. Jednak tylko metoda prób i błędów da tutaj jakiekolwiek wyniki. Po prostu firma produkująca auto nie pomyślała o tym iż będzie tam inny alarm niż ich produkcji.
  • Pomocny post
    #11 1662137
    sivex
    Poziom 27  
    Cytat:
    Z czego to wynika? Bo na mój chłopski rozum to żeby alarm dobrze działał, to powinienem mieć na wejściu jakiś układ pull-up.


    Tez tak sadze. Do tego mikrokontrolery maja wewnetrzne dociaganie go ktoregos z biegunow (ustawione programowo). Ale skoro producent tak sobie zarzyczyl widocznie popelnil jakas gafe lub tego nie przewidzial a w wiekrzosci aut nie ma problemow.
    Dioda za podciaganiem tez by sie faktycznie przydala (Psiemek).
    Z czego to wynika? (Moja teoria) Nowe autka testuja sobie rozne funkcje, sygnal nadany do testu nie jest tak "silny" jak walniety prosto z masy przez "krancowke". zreszta jest jeszcze zciemnianie swiatelka wiec kiedy siwtelko tylko zacznie przygasac wtedy dodatkowy rezystor powinien podciagnac do "+" ustawiajac na mikrokontroleze stan "0".

    pozdr.
  • #12 1662483
    elektryk
    Poziom 42  
    Dzięki za sugestie sprawdze to, w tej chwili odłączyłem od fabrycznych krańcówek sygnał od alarmu (pozostały tylko zamontowane przeze mnie czujniki w klapach) i miałem już fałszywy alarm.
  • REKLAMA
  • Pomocny post
    #13 1662608
    sivex
    Poziom 27  
    :) Pozostaje odlaczyc wszystko i sprawdzic czy sie nie wzbudzi a potem po kolei.
  • Pomocny post
    #14 1662872
    psiemek
    Poziom 21  
    Acha jeszcze mi się przypomniało. Powodem wzbudzenia się niektórych alarmów może być dotknięcie anteny do masy pojazdu. Miałem już takie jaja. Po prostu nie każda centralka jest na to odporna.
  • #15 1663979
    elektryk
    Poziom 42  
    Sprawdze tą antenę, w tej chwili odłączylem wszystkie krańcówki od kabla i miałem fałszywy alarm. Zauważyłem też pewną prawidłowość, że alarm się włącza tym szybciej od włączenia im cieplejszy jest silnik. Czy to coś sugeruje? Jak pojeżdze z pół godziny przy naszej ostatniej pogodzie (maska jest wręcz gorąca) to alarm się włącza nawet po minucie od uzbrojenia. Jeszcze mam ochote na jeden eksperyment, podłączyć do masy wejście czujników i sprowodować żeby alarm uznał je za uszkodzone i wyłączył. Wtedy będe wiedział czy wejście czujników czy coś innego. A może dwa sygnały przy wyłączaniu oznacza też wyzwolenie przez próbe zapalenia silniki przy włączonym alarmie i przy świeżo wyłączonym silniku na tej linii która steruje zapłonem "hasają" jeszcze jakieś impulsy.
  • Pomocny post
    #16 1664112
    psiemek
    Poziom 21  
    Nie spotkałem się z czymś takim ponieważ po wyłączeniu silnika na plusie po zapłonie pojawia się masa przez wszelkiego rodzaju odbiorniki pod nią podpięte. Ta masa wystarcza np. do wyzwolenia przekaźnika więc wątpię żeby coś tam "hasało". Możesz spróbować oszykać alarm że ma uszkodzoną linię alarmową. Jeżeli nie da się jej oszukać to znak że coś w centralce poleciało.
  • Pomocny post
    #17 1664178
    sivex
    Poziom 27  
    Alarm zachowuje sie tak jakby posiadal czujnik spadku napiecia.
  • #18 1667755
    elektryk
    Poziom 42  
    elektryk napisał:
    Jeszcze mam ochote na jeden eksperyment, podłączyć do masy wejście czujników i sprowodować żeby alarm uznał je za uszkodzone i wyłączył.
    Żeby było ciekawiej alarm się włączył, przy zablokowanym z pilota czujnikiem dodatkowym i przy zablokowany przez alarm wejściem od krańcówek (otwarta klapa przy włączaniu i 6 sygnałów). Ide szarpać za kable jak może ktoś coś wymyśli to czekam na pomoc.

    UZUPEŁNIENIE: Odłączyłem kable od statyjki, krańcówek i czujników dodatkowych i po 2-3 sek od uzbrojenia włącza się alarm, po rozbrojeniu 2+2 impulsy.

    UZUPEŁNIENIE2: Po wymontowaniu i podłączeniu na stole pod zasilacz labolatoryjny samego alarmu, chwile po uzbrojeniu włącza sie alarm. Jak narazie mam fatalną opinie o firmie AMT.

    UZUPEŁNIENIE3: Alarm nie posiada czujnika spadku napięcia, moge dowolnie zmniejszać napięcie zasilania aż do wyłączenia i nie włącza sie alarm.

    UZUPEŁNIENIE4: Podejrzewam zimny lut w centralce, prawdopodobnie na wejściu od stacyjki. Wieczorem jak się ochłodziło, wczoraj i dzisiaj centralka działa bez problemu i wszystko jest ok. Jade ją wymienić na inny egzemplarz.
  • Pomocny post
    #19 1669516
    eloyy
    Poziom 12  
    Ja zrezygnowalem z fortecy i montuję teraz alarmy innego producenta,miałem juz dość,wysłuchałem z pokorą zalecenia ich technika odnośnie podłączania itp itd.
    oczywiście nie ze wszystkimi fortecami mialem problemy,ale po spędzeniu 9 godzin przy montażu szlag mnie po prostu trafiał jak się cuda działy.
    Zamontowałem okolo 100 tych alarmów i wystarczy.
    Inne produkty AMT nie sprawiały mi kłopotu(czujniki,sterowniki radiowe wszelkiej maści)tylko ta forteca.
  • #20 1676526
    elektryk
    Poziom 42  
    O mały włos by mi wymienili na starszą wersje (2 przyciski), niestety okazało się że jakiś projektant zastosował inną wersje złącza do alarmu i panowie w hurtowni nie zgodzili się i powiedzieli że koniecznie muszą wymienić na tę "nową" wersje. Czyli wnioskuje że są 3 różne wersje alarmu o nazwie super forteca przeznaczone do samochodów 12V, które nie są ze sobą 100% kompatybilne. Jak narazie mam dosyć produktów AMT.
  • Pomocny post
    #21 1728241
    dj
    Poziom 12  
    Hehe, Super forteca ... mogli by opisac o tym alarmie w strefie 51 :P Takie cuda sie z nia dzieja ze nawet by sie nikomu o nich nie marzylo :D
    Alarmy pierwsze firmy AMT - Forteca byly w miare dobre, nic sie z nimi zazwyczaj nie dzialo ;) Pozniej postanowili ulepszyc produkt i tym sposobem go skopali ;) Podobnie bylo z Legend Frodem.. ale to juz inna historia ;)
    Nie montujcie tego sufu ! Lepiej dolozyc troche wiecej kasy i zalozyc cos lepszego.

    Pozdro ;)
  • #22 1791280
    elektryk
    Poziom 42  
    Udało się wymienić na starszą wersje, działa jak marzenie. Temat zamykam.
REKLAMA