Witam,
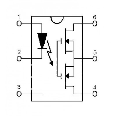
czy przekaźnik z optoizolacją sterowany 5V można bezpośrednio podłączyć pod mikroprocesor, czy warto się zabezpieczyć dodatkowo tranzystorem i diodą?
czy przekaźnik z optoizolacją sterowany 5V można bezpośrednio podłączyć pod mikroprocesor, czy warto się zabezpieczyć dodatkowo tranzystorem i diodą?
