logo elektroda
logo elektroda
X
logo elektroda
REKLAMA
REKLAMA
Adblock/uBlockOrigin/AdGuard mogą powodować znikanie niektórych postów z powodu nowej reguły.

Peugeot 607 2.2 benzyna - błąd prędkości pojazdu

rwuhp 22 Gru 2016 21:02 3027 3
REKLAMA
  • #1 16143901
    rwuhp
    Poziom 10  
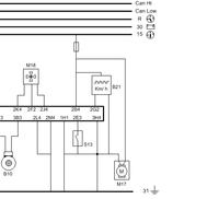
    Witam jak w temacie sterownik silnika nie widzi prędkości pojazdu potrzebuje pinu na którym idzie sygnał do sterownika .Sterownik to Magneti Marelli iaw 4mp.14 ,z góry dziękuje za informacje
  • REKLAMA
  • REKLAMA
  • #3 16165045
    rwuhp
    Poziom 10  
    Witam jeszcze nic nie patrzyłem z tym problemem a jeśli nie ma czujnika prędkości tylko czyta prędkość z abs to sygnał jest na tym samym pinie w ecu silnika
  • #4 16255395
    rwuhp
    Poziom 10  
    Witam po dłuższej nie obecności schemacik się przydał , ach te Francuzy mimo tego że licznik czyta prędkość z abs ,to silnik otrzymuje ją z czujnika na skrzyni i to on był winny , raz było ok a za chwile nie widział prędkości .Dzięki za pomoc z tym schematem
REKLAMA