logo elektroda
logo elektroda
X
logo elektroda
REKLAMA
REKLAMA
Adblock/uBlockOrigin/AdGuard mogą powodować znikanie niektórych postów z powodu nowej reguły.

Sunker Elite Two - Cały czas świeci TX, brak odbioru.

daro199109 11 Sty 2017 15:27 1386 8
REKLAMA
  • #1 16191189
    daro199109
    Poziom 14  
    Witam,
    dostałem do oględzin CB radio jak w temacie. Problem polega na tym, że cały czas świeci się czerwona dioda TX, w głośniku słychać cichy szum "pulsujący" w rytm migania wyświetlacza "szybkiej 19". Po włączeniu innego radia w eter wprowadzane są zakłócenia. Po naciśnięciu przycisku nadawania szum cichnie, zarówno w eterze jak i w głośniku radia i gaśnie dioda TX ... Po przełączeniu na pasmo FM w głośniku radia słychać o wiele głośniejszy szum. Radio nie odbiera nic zarówno z wciśniętym jak i puszczonym mikrofonem, jedyna zmiana to po wciśnięciu przycisku gaśnie wyświetlacz i dioda TX. Nie działa również przełączanie kanałów. Jedyna możliwość zmiany kanału to 9/"szybka 19" ale radio przełącza się dopiero po odłączeniu zasilania. i ponownym podłączeniu. Przeszukując forum nie natknąłem się na tak złożoną usterkę. Nie jestem specjalistą w radiotechnice, choć pojęcie o elektronice jakieś mam. Po przeanalizowaniu schematu (Midland 77-099) szczerze nie wiem od czego zacząć poszukiwania. Sprawdziłem płytkę pod kątem zimnych lutów, i sprawdziłem diodę i tranzystor zaznaczone na schemacie na czerwono (choć nie wiem czy wgl miało to sens). Na chłopski rozum patrząc radio jest cały czas w trybie nadawania. :P Przewód od mikrofonu jest sprawny. Proszę o jakieś porady co sprawdzić itp.

    Z góry dziękuję za pomoc
    Pozdrawiam
    Darek
  • REKLAMA
  • #2 16191341
    kriss51
    VIP Zasłużony dla elektroda
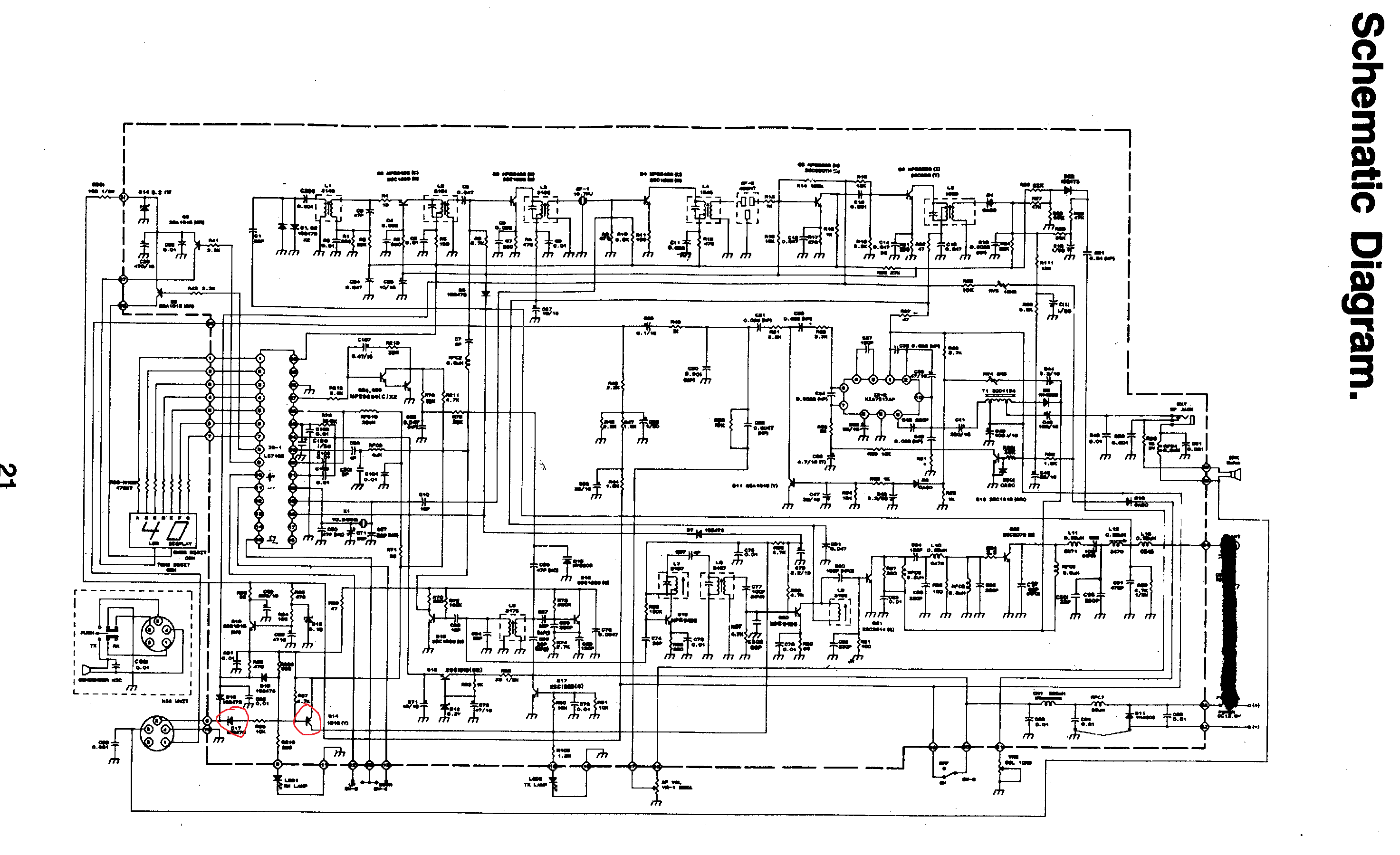
    Z odkręconym mikrofonem jest to samo?
    Proszę zmierzyć napięcia w zaznaczonych pkt. z tym że w pkt.3 napięcie pojawiać powinno się tylko podczas wciskania przycisku w mikrofonie (PTT). Na odbiorze powinno być 0V.

    Sunker Elite Two - Cały czas świeci TX, brak odbioru.
  • #3 16191831
    daro199109
    Poziom 14  
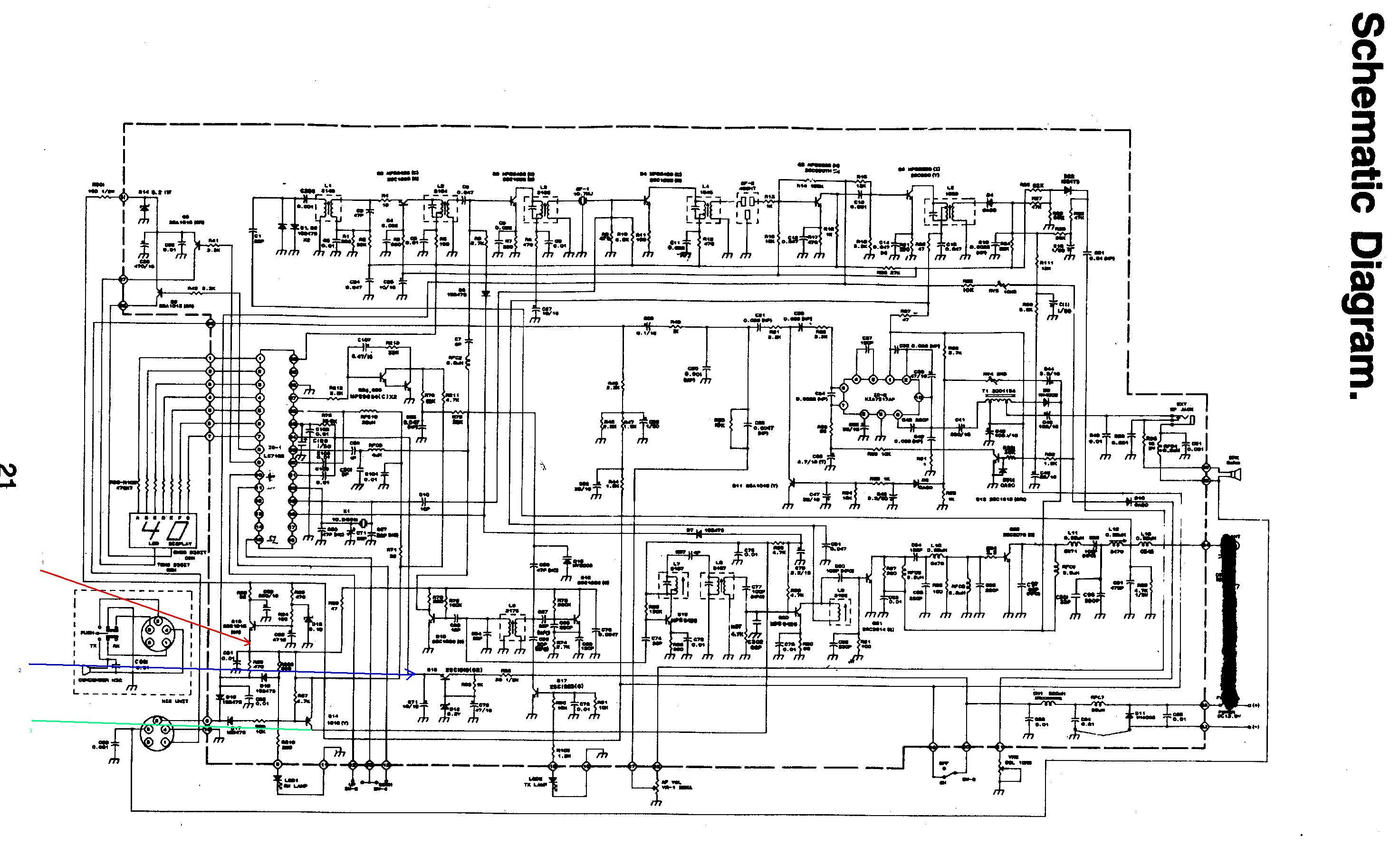
    Napięcia nr:
    1 (emiter TR22) -> 2,10 V podczas wciśniętego przycisku w mikrofonie, podczas odbioru 0 V,
    2 -> 5,5 V,
    3 (emiter TR21) -> 8,45 V podczas odbioru, 2,1 V podczas nadawania.

    Przy odkręconym mikrofonie szum w głośniku cichnie. Nic więcej się nie zmienia.
  • REKLAMA
  • Pomocny post
    #4 16191916
    kriss51
    VIP Zasłużony dla elektroda
    Podaj napięcie na emiterze TR20. Powinno być około 8,5V niezależnie od pozycji przełącznika w mikrofonie (PTT). Na kolektorze TR22 powinno pojawiać się napięcie tylko podczas włączania nadajnika. Na odbiorze powinno być 0V, zaś na emiterze TR21 powinno być na odwrót. Podczas odbioru ma być napięcie, a podczas nadawania 0V.
    Sprawdź i napisz jak jest w Twoim radiu.

    I jeszcze jedno. Nie pisz "gruszka" tylko mikrofon. W pierwszym poście poprawiłem.
  • REKLAMA
  • #5 16192449
    daro199109
    Poziom 14  
    Przepraszam za moje nierozgarnięcie... Napięcie na 24 nodze układu syntezy jest stałe 5,5 V, na kolektorze TR22 - odbiór 3,6 V, nadawanie 0,7 V, na emiterze TR21 - odbiór 0 V, nadawanie 2,1 V. Co do TR20 to mam problem z jego zlokalizowaniem bo nie jest opisany na płytce (wiem... wiem... przeginam.... ) załączam zdjęcie, nie wiem na ile kolega kriss51 zna to radio ale może mógłby zaznaczyć gdzie go szukać.
    Dodam jeszcze, że podczas odbioru na reflektometrze jest wskazanie SWR, podczas nadawania spada do 0.

    PS. To radio przyszłego teścia i chcę zrobić wszystko co się da żeby nie dać plamy... ;P

    Sunker Elite Two - Cały czas świeci TX, brak odbioru.
  • Pomocny post
    #6 16194356
    kriss51
    VIP Zasłużony dla elektroda
    daro199109 napisał:
    Napięcie na 24 nodze układu syntezy jest stałe 5,5 V,


    To pasuje reszta dalece odbiega od normy.

    Zmierz może napięcia na na kolektorze TR21 i emiterze TR22. Powinno być około 8,5V niezależnie od pozycji przełącznika w mikrofonie. Dowiemy się czy główny stabilizator napięcia na TR20 daje odpowiednie napięcie. Dodam że do bazy TR20 podłączony jest kondensator C71. Może teraz łatwiej go zlokalizujesz.
  • REKLAMA
  • #7 16197861
    daro199109
    Poziom 14  
    Wczoraj nie było mnie w domu, dziś jak tylko wpadłem do domu od razu zaatakowałem to radyjko :P Po wskazówce udał się zlokalizować Tr20, choć ani ten tranzystor, ani kondensator C71 nie są podpisane na płytce. A więc z pomiarów wynika że nie jest tak jak powinno być:
    - Tr20 (emiter) -> 8.5 V (odbiór) , 2,2 V (nadawanie)
    - Tr21 (kolektor) -> 8.5 V (odbiór) , 2,2 V (nadawanie)
    - Tr22 (emiter) -> 8.5 V (odbiór) , 2,2 V (nadawanie)
  • Pomocny post
    #8 16209843
    kriss51
    VIP Zasłużony dla elektroda
    Na emiterze TR20 niezależnie czy jest nadawanie czy odbiór musi być około 8,5V. Tobie się zmienia na 2.2V. Tak być nie może.
    Może ktoś przed tobą grzebał w radiu i pozamieniał tranzystory.

    Wyciągnij TR22 i zobacz czy dioda TX zgaśnie oraz czy odbiór będzie ok.
    Przy wyciągniętym TR22 zmierz napięcie na emiterze TR21. Na odbiorze i nadawaniu. Podczas nadawania praktycznie nie powinno być napięcia, a na odbiorze około 8V.
    Jeśli nie będzie pasować to proszę również wyciągnąć TR21 i zobaczyć jak zmienia się napięcie w miejscu jego bazy podczas przełączania TX/RX.
  • #9 16210372
    daro199109
    Poziom 14  
    Kolego kriss51... jesteś WIELKI!!! ;) Wskazówka o zamienionych tranzystorach okazała się strzałem w 10-tkę. Faktycznie radio już u kogoś było tak mówi właściciel radia :P i prawdopodobnie ten ktoś pomylił tranzystory TR21 i TR22 (zostały zamienione miejscami). Stosując się do Twoich wskazówek mierząc napięcia po wyciągnięciu TR22, nadal się nie zgadzały więc wylutowałem również TR21 i wtedy napięcie na emiterze TR20 było cały czas równe ok. 8,5 V. Więc zdecydowałem się na próbę zamienić TR21 i TR22 i co się okazało??? Radio odpaliło "od kopa" :P Tyle zamieszania o czyjąś pomyłkę...

    Ogromne podziękowanie dla Ciebie kriss51
    Jestem Twoim dłużnikiem...
    Dziękuję :)
REKLAMA