logo elektroda
logo elektroda
X
logo elektroda
REKLAMA
REKLAMA
Adblock/uBlockOrigin/AdGuard mogą powodować znikanie niektórych postów z powodu nowej reguły.

Subaru SJ IV - Podświetlenie deski LED brak napięcia w bezpiecznikach

Karenz 21 Lut 2017 15:53 1728 1
REKLAMA
  • #1 16296211
    Karenz
    Poziom 9  
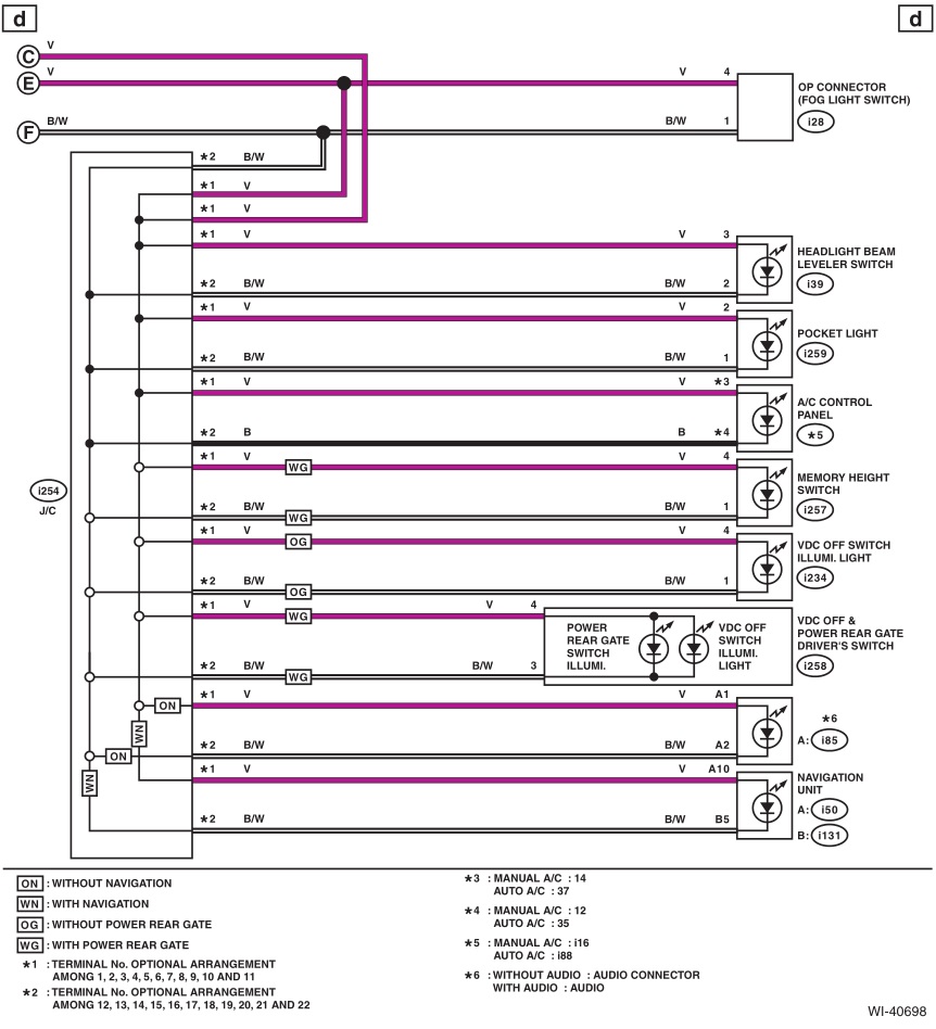
    Witam miałem przepięcie w instalacji 12v podświetlenia pokręteł/guzików w aucie.
    Ze schematów wynika że padła cała linia E oznaczona kolorem fioletowym na bezpieczniku 16.
    Wymiana bezpiecznika nie daje żadnego efektu , wszystkie bezpieczniki sprawne (sprawdzałem ) , odpięcie akumulatora na 5 min również , błędów brak .
    Padło podświetlenie : kierownicy , panelu klimatyzacji , podgrzewania foteli,start stop , sterowania lusterek
    Schematy są z wersji US różnie je tylko ilość bajerów .
    Subaru SJ IV - Podświetlenie deski LED brak napięcia w bezpiecznikach
    Subaru SJ IV - Podświetlenie deski LED brak napięcia w bezpiecznikach Subaru SJ IV - Podświetlenie deski LED brak napięcia w bezpiecznikach

    aktualizacja :
    w bezpieczniku nr 16 brak napięcia , w poprzedzającym go 15 w silniku jest
  • REKLAMA
  • #2 16301279
    Karenz
    Poziom 9  
    Co sie okazało , schematy z wersji US są bezużyteczne dla europy . Spalił się bezpiecznik w uwaga zapasowej skrzynce bezpieczników ukrytą za normalną skrzynką bezpieczników , dostęp podobno tragedia .
REKLAMA