logo elektroda
logo elektroda
X
logo elektroda
Adblock/uBlockOrigin/AdGuard mogą powodować znikanie niektórych postów z powodu nowej reguły.

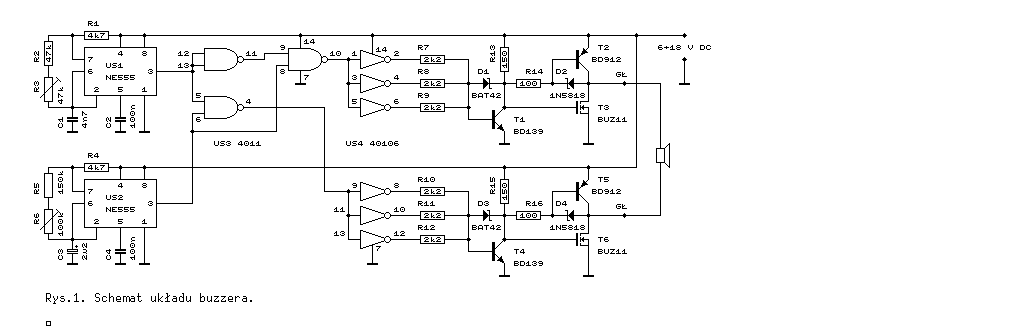
Jak wykonać jednostronną płytkę PCB w Eaglu dla schematu buzzera?

Misiek687 23 Lut 2017 17:04 735 1
  • #1 16301514
    Misiek687
    Poziom 7  
    PILNE! Jak wykonać jednostronną płytkę PCB w Eaglu dla schematu buzzera? Proszę o wykonanie schematu buzzera w Eaglu (board) z załączonego zdjęcia schematu buzzera. Ścieżki mają być na laminacie jednostronnym wiec proszę o wykonanie tego schematu jednostronnie . Z góry dziękuje!
  • Pomocny post
    #2 16301606
    piterek-23
    Poziom 33  
    Takie ogłoszenia to do działu giełda.
    Musisz podać termin realizacji i cenę jaką proponujesz za usługę.
REKLAMA