logo elektroda
logo elektroda
X
logo elektroda
REKLAMA
REKLAMA
Adblock/uBlockOrigin/AdGuard mogą powodować znikanie niektórych postów z powodu nowej reguły.

Elektroniczna tabliczka mnożenia dla drugoklasisty

Oxiden17 23 Mar 2017 19:06 4077 2
REKLAMA
  • Elektroniczna tabliczka mnożenia dla drugoklasisty Elektroniczna tabliczka mnożenia dla drugoklasisty

    Pomimo, że jest wiele opracowań i aplikacji dotyczących tabliczki mnożenia, wykonałem własną - elektroniczną wersję mnożącą od 1-9.
    Projekt powstał dla ośmiolatka, który "uwielbia" grać. Pracując z tabletem lub laptopem zajmował się wszystkim, ale nie nauką tabliczki mnożenia. Nauka z papierową wersją szybko go nudziła. Na razie jest zafascynowany nową grą.
    Dlaczego nie do 10? To mnożenie nie sprawia kłopotu, a i ilość wyświetlaczy jest za mała. Wprowadzenie litery A jako 10 tylko "mąciła w głowie".

    Elektroniczna tabliczka mnożenia dla drugoklasisty Elektroniczna tabliczka mnożenia dla drugoklasisty

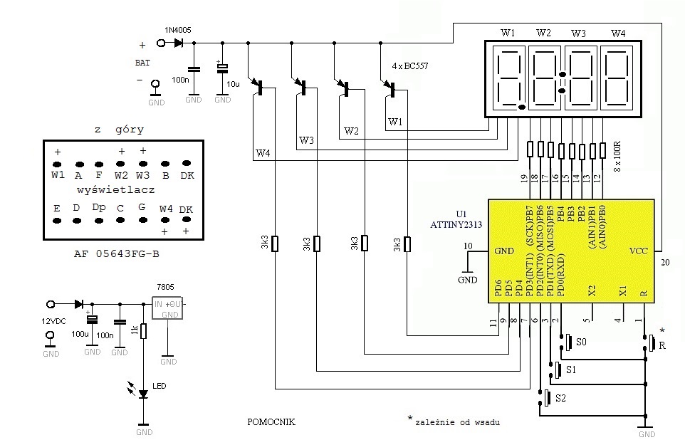
    Bazę stanowi kontroler ATtiny 2313 i jego oprogramowanie. Czterocyfrowy wyświetlacz LED, trzy lub cztery przyciski (zależnie od wsadu) do druku, cztery tranzystory BC 557, osiem oporników 100 ohm, cztery oporniki 3k3, dioda 1N4005, dwa kondensatory (10uF, 100n) i miniaturowy wyłącznik zasilania stanowią całość. Użyłem zespolonego wyświetlacza zegara o wspólnej anodzie typu AF05643FG-B. To wszystko.
    Elementy umieściłem na jednostronnej płytce uniwersalnej o wym. 5 x 9 cm. Zasilanie stanowią cztery baterie AAA umieszczone w koszyku. Koszyk zamontowany jest od strony "ścieżek".

    Działanie układu jest następujące:

    Po włożeniu baterii do koszyka i włączeniu zasilania wyświetlacz pozostaje wygaszony do czasu użycia przycisku. Naciśnięcie i przytrzymanie przycisku pierwszej cyfry, umożliwia jej ustawianie. Zmiana następuje co 0,25 s. Możliwe też jest impulsowe wybieranie cyfry. Razem z ustawianiem pierwszej cyfry wyświetlana jest kropka, która jest znakiem mnożenia. Po zwolnieniu przycisku, świeci pierwsza cyfra. Naciśnięcie i przytrzymanie przycisku drugiej cyfry, umożliwia jej ustawienie. Po zwolnieniu przycisku, świeci druga cyfra.

    Teraz naciśnięcie i przytrzymanie trzeciego przycisku (wynik) spowoduje wyświetlenie migającego co 32 ms wyniku poprzedzonego dwukropkiem.
    Zwolnienie przycisku wygasza i zeruje wszystkie wyświetlacze umożliwiając ponowne ustawienie cyfr.
    W trakcie wyświetlania wyniku można zmieniać wartość cyfr. Wynik też będzie się zmieniał. Jeśli ustawiona została choćby jedna z cyfr i nie został naciśnięty trzeci przycisk (wyniku) automatycznie po 24 s nastąpi wygaszenie wyświetlacza(y). Jest to równocześnie czas do zastanowienia się nad odpowiedzią, a potem sprawdzenia odpowiedzi przez naciśnięcie przycisku wyniku.

    W przypadku, jeśli naciśnięty został jako pierwszy, po załączeniu zasilania, przycisk wyniku, nastąpi automatyczne załączenie wyświetlaczy i wykonywanie działania mnożenia począwszy od 1 np. 1.1: 1, 1.2: 2, 1.3: 3 itd.
    Podobnie jest, gdy po odczytaniu wyniku i zwolnieniu przycisku, ponownie naciśniemy przycisk wyniku.
    I w tym przypadku można zmieniać wartość cyfr w czasie mnożenia. Wynik też będzie się zmieniał. Wyjście z opcji, w prezentowanej wersji, nastąpi po naciśnięciu przycisku reset.

    Fragment kodu mnożenia w cyklu.

    Kod: VB.net
    Zaloguj się, aby zobaczyć kod

    Fajne? Ranking DIY
    O autorze
    Oxiden17
    Poziom 12  
    Offline 
    Oxiden17 napisał 110 postów o ocenie 128. Mieszka w mieście na Pomorzu. Jest z nami od 2009 roku.
  • REKLAMA
  • #2 16369697
    rb401
    Poziom 39  
    Oxiden17 napisał:
    Na razie jest zafascynowany nową grą.


    Jak na fascynata gier w tym wieku, to tak może trochę za mało wciągające i zbyt mało prowokujące do rzeczywistego wykucia tej tabliczki. Chodzi o motywację.
    Gdyby to miało funkcję "egzaminującą" w postaci jakby gry, czyli wyświetlacz podaje losowo cyfry i trzeba w określonym czasie wstukać poprawny iloczyn. Jeśli nie poda albo poda źle, to i tak wyświetlacz wyświetli poprawny wynik ale w jakiś inny sposób.
    Ale by jeszcze tą atrakcyjność podkręcić, powiedzmy że po podaniu bezbłędnie serii wyników, na początek załóżmy, 10 pod rząd, na wyświetlaczu by coś zamigało i wyświetlał by się tajny kod, zaszyty przez Ciebie w źródłach w tablicy, lub generowany algorytmem pseudolosowym, którego wyniki byłbyś w stanie wygenerować sobie gdzieś z boku, dla kontroli.
    Po następnej serii, następny tajny kod itd. . Jeden błąd czy niewyrobienie w czasie, egzamin wraca na sam początek.
    Wtedy młody by je spisywał i przychodził z nimi do Ciebie odebrać z góry ustaloną nagrodę zależną od ilości poprawnych kodów (etapów). Oczywiście każdy kolejny etap musi być coraz to trudniejszy (więcej pytań, krótszy czas na wstukanie odpowiedzi) aż do fizycznej niemożliwości, bo byś się nie wypłacił.
  • #3 16370300
    Oxiden17
    Poziom 12  
    Tak, słów fascynacja i gra użyłem nieopatrznie. Ujął kolega temat trafnie i rzeczowo. Propozycja oprogramowania ciekawa.
    Ośmioletnie dziecko trudno już zadziwić prostą grą. Chodziło o motywację do nauki i sprawdzenie wiedzy w najprostszy sposób.
    Funkcję "egzaminacyjną" w niewielkim stopniu również spełnia. W opcji drugiej wynik wyświetlany jest dopiero po naciśnięciu i przytrzymaniu przycisku przed upływem zadanego czasu. Póki co, jeszcze z tego korzysta, a jego kieszonkowe wzrosło.
REKLAMA