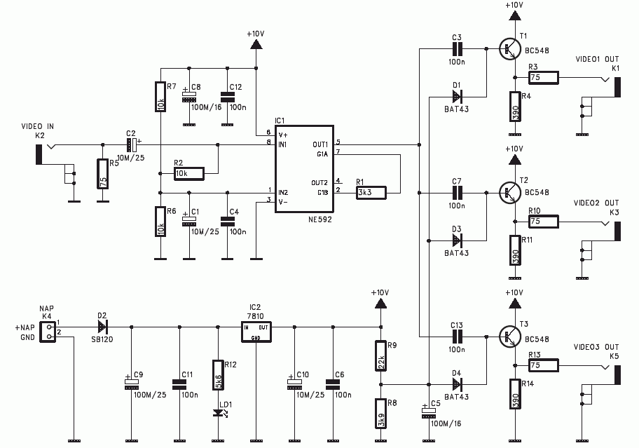
Układ spełnia rolę wzmacniacza i jednocześnie rozdzielacza sygnału video. Sygnał ten może pochodzić z magnetowidu, kamery, odtwarzacza DVD a nawet karty graficznej komputera. Najczęściej podłączenie więcej niż jednego TV powoduje utratę jakość sygnału. Prezentowane rozwiązanie pozwala na bezstresowe podzielenie sygnału. Należy pamiętać o zastosowaniu połączeń za pomocą kabla o impedancji 75 Ω
R1. . . . . . . . . . . . . . . . . . . . . . 3,3 kΩ
R2, R6-7 . . . . . . . . . . . . . . . . . 10 kΩ
R5, R3, R10, R13 . . . . . . . . . . . . 75 Ω
R9 . . . . . . . . . . . . . . . . . . . . . . 22 kΩ
R4, R11, R14 . . . . . . . . . . . . . . 390 Ω
R8. . . . . . . . . . . . . . . . . . . . . . 3,9 kΩ
R12. . . . . . . . . . . . . . . . . . . . . 5,6 kΩ
C1-2, C10 . . . . . . . . . . . . . 10 uF/25 V
C8, C5. . . . . . . . . . . . . . . 100 uF/16 V
C9 . . . . . . . . . . . . . . . . . . 100 uF/25 V
C3-4, C6-7, C11-13. . . . . . . . . 100 nF
IC1 . . . . . . . . . . . . . . . . . . . . . NE592
IC2. . . . . . . . . . . . . . . . . . . . . . . 7810
T1-3 . . . . . . . . . . . . . . . . . . . . BC548
D1, D3-4 . . . . . . . . . . . . . . . . . BAT43
D2 . . . . . . . . . . . . . . . . . . . . . . SB120
LD1. . . . . . . . . . . . . . . . . . . . . . . LED
K1-3, K5 . . . . . . . . . . . . . . . . . CP560
K4 . . . . . . . . . . . . . . . . . PSH02-VERT
R1. . . . . . . . . . . . . . . . . . . . . . 3,3 kΩ
R2, R6-7 . . . . . . . . . . . . . . . . . 10 kΩ
R5, R3, R10, R13 . . . . . . . . . . . . 75 Ω
R9 . . . . . . . . . . . . . . . . . . . . . . 22 kΩ
R4, R11, R14 . . . . . . . . . . . . . . 390 Ω
R8. . . . . . . . . . . . . . . . . . . . . . 3,9 kΩ
R12. . . . . . . . . . . . . . . . . . . . . 5,6 kΩ
C1-2, C10 . . . . . . . . . . . . . 10 uF/25 V
C8, C5. . . . . . . . . . . . . . . 100 uF/16 V
C9 . . . . . . . . . . . . . . . . . . 100 uF/25 V
C3-4, C6-7, C11-13. . . . . . . . . 100 nF
IC1 . . . . . . . . . . . . . . . . . . . . . NE592
IC2. . . . . . . . . . . . . . . . . . . . . . . 7810
T1-3 . . . . . . . . . . . . . . . . . . . . BC548
D1, D3-4 . . . . . . . . . . . . . . . . . BAT43
D2 . . . . . . . . . . . . . . . . . . . . . . SB120
LD1. . . . . . . . . . . . . . . . . . . . . . . LED
K1-3, K5 . . . . . . . . . . . . . . . . . CP560
K4 . . . . . . . . . . . . . . . . . PSH02-VERT
Fajne? Ranking DIY