Novile napisał: W tym radiu na mikrofonie jest akurat włącznik, jak go wciśniesz to tak trzyma jak go wyciśniesz to puszcza
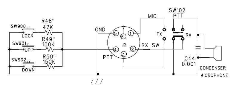
Dawno nie miałem Inteka z takim mikrofonem w ręce, a na schemat jakoś nie chciało mi się zajrzeć. Niestety, ale przełączaniem kanałów i blokadą steruje procesor, a on jest sterowany bezpośrednio z mikrofonu.
kolibercio, sprawdź kondensator C67 pod kątem upływności i zmierz napięcie na pinie 4 gniazda. Powinno być 5V.
W tabelce masz napięcia na procesorze.

Jeżeli nie ma 5V wylutuj kondensator i jeszcze raz zmierz. Obejrzyj dokładnie ścieżkę od 43 nogi procesora do gniazda, może czymś zasyfiała i obciąża wyprowadzenie procesora (zresztą na tej zasadzie jest tam realizowana blokada - poprzez opornik R48 (47K) do masy.
