logo elektroda
logo elektroda
X
logo elektroda
REKLAMA
REKLAMA
Adblock/uBlockOrigin/AdGuard mogą powodować znikanie niektórych postów z powodu nowej reguły.

Psx psone scph-102 - Spalona dioda d004 w konsoli, zamiennik ?

lowermann 02 Kwi 2017 02:23 2109 5
REKLAMA
  • #1 16386766
    lowermann
    Poziom 18  
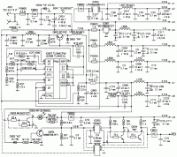
    Witam, dzisiaj miałem niemiłą niespodziankę, gdy płytka była w konsoli w ekranach to nic się nie działo, gdy wyjąłem płytkę z ekranów
    i podłączyłem zasilacz to element D004 zaczął się palić zanim odłączyłem zrobił się czerwony i wypalił dziurę w laminacie płytki.
    Teraz czy dobrze ja widzę? Ten element co został spalony to jest dioda d004, na schemacie oznaczona "12" (12B), jakim elementem zastąpić tą
    spaloną diodę? Jest to dioda zenera? Wymienię jeszcze dla pewności kondensator ten koło diody, oznaczony C2, ma on wartość 0,1 uF ?
    Proszę o jakieś sugestie.
    Jaka przyczyna spalenia tej diody? Podłączyłem zasilacz nie z psone 7,5 v tylko z ps2 8,5 v, ale wcześniej podłączałem i nic się nie działo.
  • REKLAMA
  • Pomocny post
    #2 16386875
    kokapetyl
    Poziom 43  
    lowermann napisał:
    jakim elementem zastąpić tą
    spaloną diodę? Jest to dioda zenera?

    Na schemacie widać wyraźnie, jest to dioda zenera 12V.
  • REKLAMA
  • REKLAMA
  • #4 16408555
    lowermann
    Poziom 18  
    Spalił się bezpiecznik PS600, narazie go zmostkowałem, konsolka ruszyła, działa bez problemu bez tej diody zenera.
    Jak myślicie, zostawić tak, czy jednak dołączyć tą diodę zenera ?
    Ta z podanego linku wyżej będzie odpowiednia?
  • REKLAMA
  • Pomocny post
    #5 16408712
    kokapetyl
    Poziom 43  
    lowermann napisał:
    Spalił się bezpiecznik PS600, narazie go zmostkowałem, konsolka ruszyła, działa bez problemu bez tej diody zenera.
    Jak myślicie, zostawić tak, czy jednak dołączyć tą diodę zenera ?

    Oba te elementy nie są od parady, jest to zabezpieczenie całego układu.
    Twój sprzęt i to ty powinieneś dbać o jego bezpieczeństwo.
  • #6 16408788
    lowermann
    Poziom 18  
    Bezpiecznik wiadomo, nie byłem pewny z tą diodą zenera, pewnie zabezpiecza przed skokami napięcia, zamówię oba te elementy i wlutuję.
REKLAMA