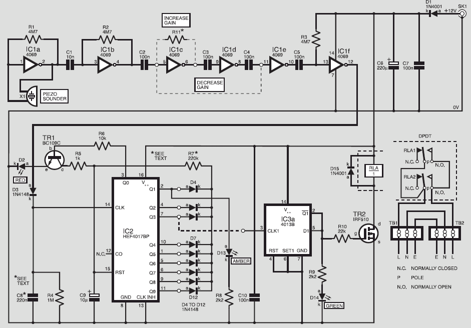
Konstrukcji przełączników reagujących na klaśnięcie możemy znaleźć bardzo dużo w Internecie, czasopismach a także w zestawach do samodzielnego montażu. Takie przełączniki mają podstawową wadę - dowolne krótkie dźwięki wywołują włączenie/wyłączenie urządzenia np. upadek przedmiotu, muzyka. Ten układ jest inny - reaguje tylko na wielokrotne klaśnięcia a odstęp pomiędzy klaśnięciami musi być odpowiedni - jak ustawiono w układzie. Na schemacie zaprezentowano rozwiązanie włączające/wyłączające przekaźnik za pomocą trzech szybkich klaśnięć. Kontrolę w jakim stanie znajduje się układ zapewniają trzy diody LED. LED D14 zielona informuje czy przekaźnik jest załączony czy wyłączony, D2 czerwona zaświeca się jeżeli układ jest resetowany (nie wyklaskano odpowiedniej kombinacji), D13 zaświeca się przy każdym odebraniu klaśnięciu. Czujnikiem jest blaszka zabudowana blaszka piezzo. Można wstawić dodatkowy rezystor R11 zapewniający zwiększenie czułości. Wartość C8 nie jest krytyczna - należy dobrać doświadczalnie. Jako IC2 zastosowano układ produkcji Philips, chociaż nadaje się także seria CDxxxx (ewentualny filterek RC na wejściu Q0 będzie wymagany). Wyboru ilości klaśnięć włączenia/wyłączenia przekaźnika dokonujemy wybierając wyjście od Q1-Q9 układu IC2. Na schemacie wybrano Q3 co oznacza trzy klaśnięcia. Warto zwrócić uwagę, że układ nie zawiera żadnego fragmentu rozwiązania analogowego.
Fajne? Ranking DIY
