Znalazłam w internecie zegar na lampach nixie, nie działa prawidłowo , ustawia godzinę , datę , ale nie wyświetla po ustawieniu.
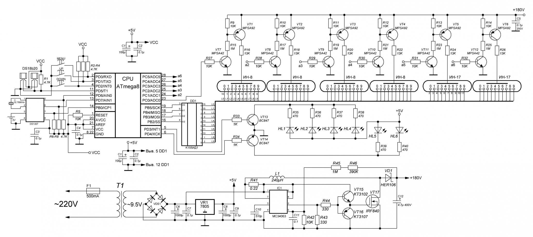
Schemat i kod do mikroprocesora
Link do strony http://robocua.blogspot.com/2013/12/nixie.html strona jest po rosyjsku
Autor opisuje działanie układu .
Wyświetlanie czasu, daty i temperatury. Przez krótkie naciśnięcie przycisku MENU, tryb wyświetlania zmienia.
1 mode - tylko raz.
Tryb 2 - czas 2 minut. data 10 sekund.
Tryb 3 - czas 2 minut. temperatura 10 sekund.
Sposób 4 - czas 2 minut. data 10 sekund. temperatura 10 sekund.
Poprzez utrzymywanie aktywnego ustawienia czasu i daty skok przez naciśnięcie przycisku menu ustawień
maksymalna liczba czujników DS18B20 - 2. Jeśli temperatura nie jest to konieczne, możliwe jest, że nie należy umieszczać na zegar nie jest naruszona. Czujnik hot-plug nie jest przewidziane.
Przez krótkie naciśnięcie przycisku GÓRA jest aktywowana w dniu 2 sekundy. Trzymając się włącza / wyłącza światła. Poprzez krótkie naciśnięcie przycisku powoduje temperatury przez 2 sekundy.
Schemat i kod do mikroprocesora
Link do strony http://robocua.blogspot.com/2013/12/nixie.html strona jest po rosyjsku
Autor opisuje działanie układu .
Wyświetlanie czasu, daty i temperatury. Przez krótkie naciśnięcie przycisku MENU, tryb wyświetlania zmienia.
1 mode - tylko raz.
Tryb 2 - czas 2 minut. data 10 sekund.
Tryb 3 - czas 2 minut. temperatura 10 sekund.
Sposób 4 - czas 2 minut. data 10 sekund. temperatura 10 sekund.
Poprzez utrzymywanie aktywnego ustawienia czasu i daty skok przez naciśnięcie przycisku menu ustawień
maksymalna liczba czujników DS18B20 - 2. Jeśli temperatura nie jest to konieczne, możliwe jest, że nie należy umieszczać na zegar nie jest naruszona. Czujnik hot-plug nie jest przewidziane.
Przez krótkie naciśnięcie przycisku GÓRA jest aktywowana w dniu 2 sekundy. Trzymając się włącza / wyłącza światła. Poprzez krótkie naciśnięcie przycisku powoduje temperatury przez 2 sekundy.