logo elektroda
logo elektroda
X
logo elektroda
REKLAMA
REKLAMA
Adblock/uBlockOrigin/AdGuard mogą powodować znikanie niektórych postów z powodu nowej reguły.

Saab 900 Cabrio 1996 - Dach nie reaguje, komunikat Verschlus Prufen

kemot751 16 Kwi 2017 11:53 1896 6
REKLAMA
  • #1 16415669
    kemot751
    Poziom 7  
    Witam mam problem z dachem w moim Saabie .Zero reakcji nic nie odzywa się .Wszystkie silniki na krótko działają.Na wyświetlaczu wyskakuje VERSCHLUS PRUFEN .Nie wiem już co mam zrobić . Proszę o pomoc!!!!
  • REKLAMA
  • REKLAMA
  • REKLAMA
  • #6 16415874
    Megawe
    Poziom 34  
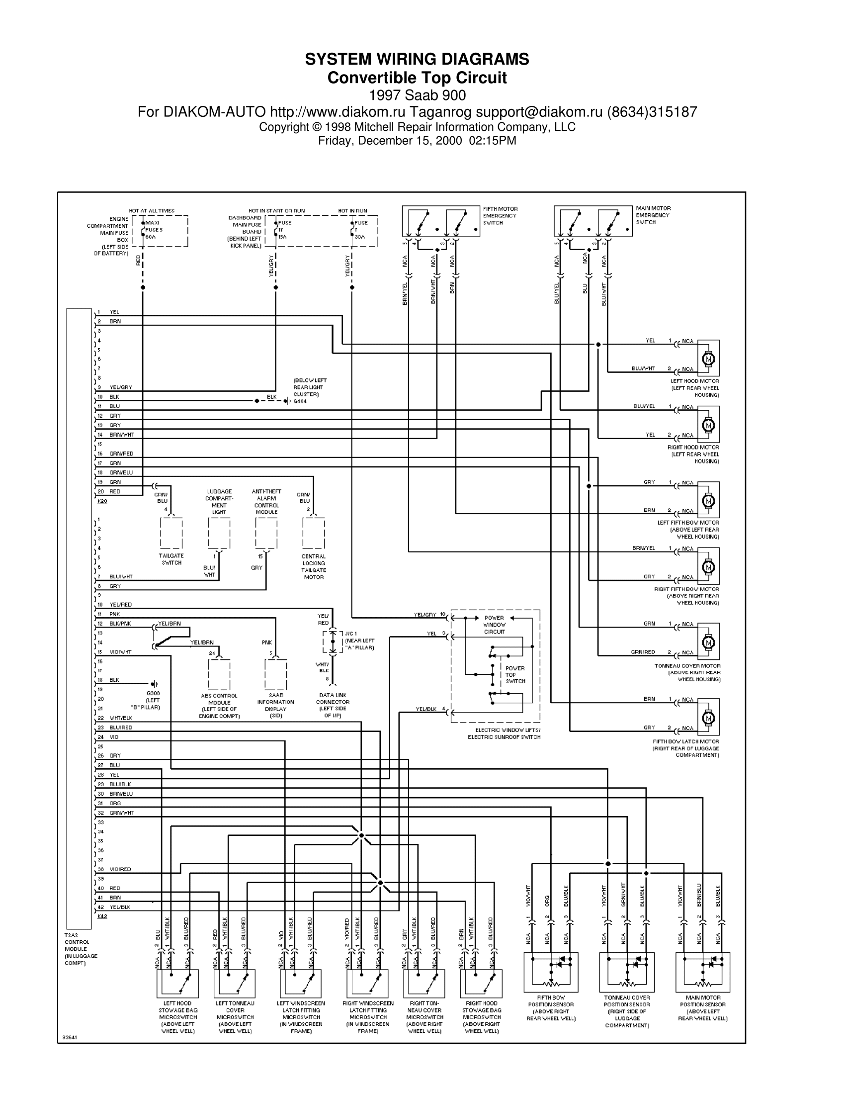
    Dodałem schemat edytując ale nie wyszło tak jak chciałem.
  • REKLAMA
REKLAMA