#1 16441913 28 Kwi 2017 11:17 sledz196211962 sledz196211962 Poziom 2 #1 16441913 28 Kwi 2017 11:17 Mam problem z przylutowaniem wtyku gruszki,poniewaz jest z przelaczaniem kanalow i nie znam kolejnosci kabli
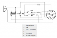
Pomocny post #2 16441973 28 Kwi 2017 11:53 mariuszp19 mariuszp19 Poziom 35 Pomocny post? (+2) Pomocny post #2 16441973 28 Kwi 2017 11:53 Proszę bardzo. Załączniki: Johnson.png Download (6.34 KB)
#3 16442008 28 Kwi 2017 12:17 sledz196211962 sledz196211962 Poziom 2 Autor tematu Pomocny post? (+1) #3 16442008 28 Kwi 2017 12:17 dzieki za schemat,ale cos nie tak,bo u mnie w radiu na 2 jest masa
#4 16442393 28 Kwi 2017 15:31 Konto nie istnieje Konto nie istnieje Poziom 1 #4 16442393 28 Kwi 2017 15:31 Jak masz masę już to co za problem?Przełączaj masą po pinach i obserwuj. TYLKO OMIJAJ PIN 6-TY bo tam masz zasilanie pełne radia.Pozostałe piny sam rozpoznasz raczej.