logo elektroda
logo elektroda
X
logo elektroda
REKLAMA
REKLAMA
Adblock/uBlockOrigin/AdGuard mogą powodować znikanie niektórych postów z powodu nowej reguły.

Kontrolka otwartych drzwi w Punto 2 FL nie działa mimo sprawnych włączników. Co sprawdzić?

11111olo 10 Cze 2017 15:58 5976 11
REKLAMA
  • #1 16522415
    11111olo
    Poziom 42  
    Witam

    Pacjent to model 188 z silnikiem 1242 8V z roki '03.

    W liczniku jest dioda oraz co ciekawe testowana multimetrem świeci.
    Jest to jedyna kontrolka która nie świeci z tych "standardowych". Inne nie zaświecą bo nie ma wlutowanych diod LED (ale to inna sprawa).

    Same włączniki drzwiowe zaświecają lampkę we wnętrzu więc tu nie ma problemu.

    Tu załączam fotki jak wygląda licznik i wlutowana dioda LED.

    Kontrolka otwartych drzwi w Punto 2 FL nie działa mimo sprawnych włączników. Co sprawdzić? Kontrolka otwartych drzwi w Punto 2 FL nie działa mimo sprawnych włączników. Co sprawdzić?

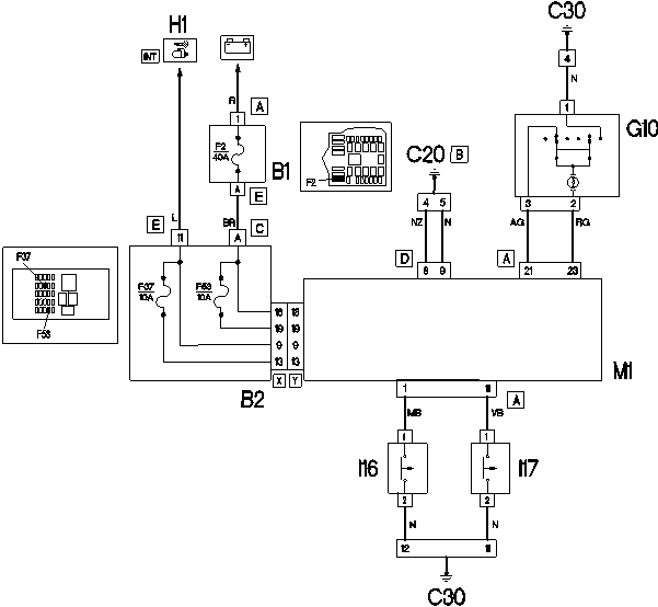
    Na schemacie też nie ma niespodzianek. N50 - drzwi lewe przednie i ów włącznik - jest bezpośrednio podłączony do M1 - komputera - a ten do E50 - licznika.

    W internecie można wyczytać że kontrolka nie świeci bo nie ma diody.
    Link
    Da się coś z tym zrobić?
  • REKLAMA
  • #2 16522603
    piotrekwoj1
    Poziom 42  
    Czyli poprostu chcesz dodatkowo mieć sygnalizowane otwarcie drzwi w postaci kontrolki w liczniku tak?
  • #3 16522627
    11111olo
    Poziom 42  
    Nie wiem po co to pytanie.
    Oczywiście że chcę. Wiem że to do niczego nie potrzebne ale chcę to zrobić.
  • REKLAMA
  • #4 16522833
    piotrekwoj1
    Poziom 42  
    Raczej to prosta robota trzeba sprawdzić w jakim układzie jest dioda w liczniku. Gdzie idą ścieżki, czym jest sterowana "+" czy "-" i czy jest podpięta pod któryś pin od wtyczki. Nie ma schematu dlatego to samemu trzeba ustalić. Jak już to będziesz wiedział to raczej trzeba będzie pociągnąć kabelek i podłączyć. Fotka jest mało wyraźna żeby powiedzieć gdzie idą ścieżki.
  • #5 16522853
    11111olo
    Poziom 42  
    piotrekwoj1 napisał:
    Raczej to prosta robota

    Raczej nie.
    piotrekwoj1 napisał:
    trzeba sprawdzić w jakim układzie jest dioda w liczniku

    Sterowna przez procesor, najprawdopodobniej jest multipleksowana.
    piotrekwoj1 napisał:
    Gdzie idą ścieżki, czym jest sterowana "+" czy "-" i czy jest podpięta pod któryś pin od wtyczki.

    Słyszał Kolega o szynie CAN?

    Fotka jest mało wyraźna ale ponad 20 kontrolek, 3 silniki krokowe itd. nie da się od tak obsłużyć z teoretycznych 18 kabelków (w praktyce mniej). Po to wymyślili szynę CAN.
  • REKLAMA
  • #6 16522876
    piotrekwoj1
    Poziom 42  
    11111olo napisał:
    Słyszał Kolega o szynie CAN?

    Zwracam honor masz rację tam jest CAN nie zwróciłem uwagi na rok. Nie wiem czy ktoś zna kodowanie aby to działało tak jak chcesz. Wątpie by nawet serwis to zrobił.
  • #7 16523547
    Karaczan
    Poziom 41  
    Masz jakiś tester diagnostyczny? BCM widzi w parametrach otwarcie drzwi?
    Da się zapalić kontrolkę testerem?
    Lampki wnętrza mogą być sterowane całkowicie "analogowo".
  • #8 16523677
    11111olo
    Poziom 42  
    Karaczan napisał:
    Masz jakiś tester diagnostyczny?

    Niestety nie. ELM327 starczy czy trzeba coś lepszego?
    Karaczan napisał:
    Lampki wnętrza mogą być sterowane całkowicie "analogowo".

    Tak ale tu nie wiadomo na 100% jak to działa.
  • REKLAMA
  • Pomocny post
    #9 16523734
    Karaczan
    Poziom 41  
    ELM styknie, o ile to ELM327 lub klon na PIC'u. Najwyżej trzeba usunąć terminator z linii CAN w fejsie.
    Klony zrobione bezpośrednio na chipie BT nie nadają się. Przynajmniej ja nigdy takowego nie spotkałem.
    Do tego MultiEcuScan i jedziesz ;)

    A jak to działa to zależy od tego które BCM masz. W '03 mógł być albo starszy sprzed liftu, albo już nowszy poliftowy.
  • #10 16524174
    11111olo
    Poziom 42  
    Muszę to zakupić na alledrogo.
    Nie wiem którą mam wersję.

    Odkryłem coś ciekawego. U mnie nie ma oświetlenia w bagażniku ale niektóre wersje miały. Ludzie pisali że im ciągle świeci kontrolka otwartych drzwi mimo że wszystkie są zamknięte (także klapa bagażnika).

    Link
    Widać tam kawałek schematu. Tu jest cały.
    Kontrolka otwartych drzwi w Punto 2 FL nie działa mimo sprawnych włączników. Co sprawdzić?
    Niestety się pomyliłem i wcześniejszy opis dotyczył przycisków od sterownia szybą :( Skreślę to o ile się da.

    Kontrolka otwartych drzwi w Punto 2 FL nie działa mimo sprawnych włączników. Co sprawdzić?
    To schemat lampki w kabinie. Były też podwójne ale to bez znaczenia.

    Wracając do kontrolki. Pierwszy schemat i symbol I11. Są tu dwa włączniki. Jeden do kontrolki - pin A36 na M1 - oraz drugi do E2520 - oświetlenie bagażnika.

    Może jutro spróbuję ten pin zewrzeć do masy. Jak zaświeci się kontrolka to pozostanie wlutowanie 2 diod od styków z drzwi i po sprawie.

    Myślałem też o innych kontrolkach ale to wymaga przemyślenia.
  • #11 16525755
    11111olo
    Poziom 42  
    Proszę nie łączyć postów gdyż tu jest rozwiązanie.

    Po zwarciu pinu 36 z wtyczki A do masy świeci kontrolka.

    Aby świeciła po otwarciu drzwi z przodu użyłem dwóch diod 1N4148 i wyszło to tak.
    Kontrolka otwartych drzwi w Punto 2 FL nie działa mimo sprawnych włączników. Co sprawdzić?
    Pin 1 i 11 łączą dwie diody z pinem 36.

    Tu widać efekt przy zamkniętych i otwartych drzwiach.

    Kontrolka otwartych drzwi w Punto 2 FL nie działa mimo sprawnych włączników. Co sprawdzić? Kontrolka otwartych drzwi w Punto 2 FL nie działa mimo sprawnych włączników. Co sprawdzić?
  • Pomocny post
    #12 16525844
    tzok
    Moderator Samochody
    Zabezpiecz sobie te diody jakimś klejem epoksydowym. Jeśli dobrze kojarzę to fabrycznie czujnik od kontrolki jest przy ryglach zamków, wtedy kontrolka świeci, nawet jak drzwi są lekko niedomknięte. Ta kontrolka była opcją.
REKLAMA