logo elektroda
logo elektroda
X
logo elektroda
REKLAMA
REKLAMA
Adblock/uBlockOrigin/AdGuard mogą powodować znikanie niektórych postów z powodu nowej reguły.

[Zlecę] Budowę/zaprojektowanie klucza morse'a do telefonu

Shakuramatata 11 Cze 2017 01:06 2508 5
REKLAMA
  • #1 16523275
    Shakuramatata
    Poziom 2  
    Witam
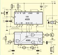
    Zlecę budowę lub zaprojektowanie klucza telegraficznego podpinanego przez minijacka do telefonu. Chciałbym w trakcie rozmów telefonicznych puszczać krótkie sygnały dźwiękowe w kodzie morse’a. Wydaje mi się że najprościej byłoby przerobić mikrofon słuchawkowy, lecz niestety nie wiem jak. Znalazłem o to takie zdjęcie schematu klucza, może pomoże.


    Przewiduje możliwość zamówienia kilku sztuk.
    Czas realizacji: tydzień.
    Cena: początkowo ~100zł (w zależności od zastosowanego rozwiązania w budowie) + części
    Jednak końcowa cena jest do omówienia po zgłoszeniu oferty.
    Kontakt przez wiadomość prywatną


    [Zlecę] Budowę/zaprojektowanie klucza morse'a do telefonu
    Kontaktuj się z ogłoszeniodawcą poprzez Prywatną Wiadomość (ikonka PW).
  • REKLAMA
  • #2 16523350
    Chivo
    Poziom 26  
    Moge zaprojektowac plytke na podstawie schematu.
  • REKLAMA
  • #3 16524346
    _jta_
    Specjalista elektronik
    Może użyć minikomputera (np. T5710, koszt ~40zł, chodzi na tym np. WinXPe i Slitaz), znaki wpisywać z klawiatury, a program nadawałby Morsem... Tylko lepiej nie za szybko, bo jak nadawanie miałoby nadążyć za wklepywaniem tekstu przez zawodową maszynistkę, to kropka by trwała może 0.01s - chyba nikt tego na słuch nie odbierze. ;)
  • REKLAMA
  • #4 16524962
    Konto nie istnieje
    Poziom 1  
  • REKLAMA
  • #6 16525775
    Shakuramatata
    Poziom 2  
    Generalnie zależy mi na układzie z manipulatorem, lub włacznikiem którym będą nadawane sygnały. Układ zaś ma się łączyć z telefonem wejściem słuchawkowym.
REKLAMA