logo elektroda
logo elektroda
X
logo elektroda
REKLAMA
REKLAMA
Adblock/uBlockOrigin/AdGuard mogą powodować znikanie niektórych postów z powodu nowej reguły.

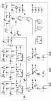
Efekty świetlne: Sterownik świateł halogenowych

zasoby 31 Lip 2005 09:45 5069 9
REKLAMA
  • O autorze
    zasoby
    Poziom 23  
    Offline 
    zasoby napisał 784 postów o ocenie 432, pomógł 4 razy. Jest z nami od 2002 roku.
  • REKLAMA
  • #2 1703026
    p4v3u
    Poziom 27  
    jaki koszt ukladu?
  • REKLAMA
  • #3 1708615
    ZonX
    Poziom 22  
    po przeliczeniu wyszło mi ok 15zł za same elementy
  • #4 1715941
    p4v3u
    Poziom 27  
    + za plytke jakeis 10zl?
  • #5 1716888
    ZonX
    Poziom 22  
    zalezy czy masz gdzies w zapasie potrzebny materiał do jej wykonania jezeli tak to koszt sie minimalizuje, inaczej jak musisz wszystko zakupic ale tez nie za wiele wyjdzie

    Laminat tych wymiarow ok 1,50 + b327 3,50 + 2 kartki papieru kredowego 30gr = ~ 5,30


    Ew pozostaje pajak :)
  • REKLAMA
  • #6 1719154
    p4v3u
    Poziom 27  
    co to b327?
    gdzie kupic papier kredowy w wawie?
    pzdr
    p4
  • #7 1719301
    ZonX
    Poziom 22  
    b327 jest to srodek trawiacy (taki biały proszek) dostepny praktycznie w kazdym sklepie elektronicznym. Papier kredowy mozna kupic w lepszym sklepie papierniczym :)
  • REKLAMA
  • #8 2006826
    michal1568
    Poziom 12  
    Ciekawy i banalny układzik polecam
  • #9 9994945
    ignacy paczos
    Poziom 1  
    mam małą prośbę mógł bym dostać wykaz elementów do tego schematu ?
  • #10 11335818
    beny73-73
    Poziom 13  
    Gdzie można znaleźć wykaz elementów?
REKLAMA