logo elektroda
logo elektroda
X
logo elektroda
REKLAMA
REKLAMA
Adblock/uBlockOrigin/AdGuard mogą powodować znikanie niektórych postów z powodu nowej reguły.

SEAT Alhambra 1998 - Brak zasilania na przekaźniku 168, klimatyzacja nie działa

djhirass 12 Lip 2017 12:37 3387 4
REKLAMA
  • #1 16582982
    djhirass
    Poziom 2  
    WITAM.
    MAM ALHAMBRĘ W KTÓREJ KLIMA PADŁA . GAZ JEST NABITY CZUJNIKI PODMIENIANE CLIMATRONIC RÓWNIEŻ.
    WENTYLATORY WŁĄCZAJĄ SIĘ PO WŁĄCZENIU KLIMATYZACJI A SPRĘŻARKA STOI. SPRZĘGŁO JEST DOBRE INSTALACJA RÓWNIEŻ.
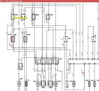
    DO PRZEKAŹNIKA O NUMERZE 168 I TO WŁAŚNIE ON NIE PODAJE PRĄDU TEŻ PODMIENIAŁEM GO WIEM ŻE MA DOSTAWAĆ NAPIĘCIE NA ZIELONO/POMARAŃCZOWY PRZEWÓD . JAK PODAM NA NIEGO NAPIĘCIE KLIMA STARTUJE. PRZEWÓD TEN BIEGNIE Z TEGO CO WIDZĘ DO KOMORY SILNIKA . PYTANIE DO CZEGO ON IDZIE ? TEN SAM KOLOR JEST W STEROWNIKU KLIMY ALE PRZEJŚCIA NIE MA CO JEST GRANE ? JAKAŚ PODPOWIEDŹ ALBO JAKIŚ SCHEMAT KTOŚ POSIADA ?
  • REKLAMA
  • #2 16583090
    adrianoosipek
    Poziom 9  
    Może być na bezpieczniku lub do czujnika temperatury wewnętrznej
  • REKLAMA
  • #3 16583267
    g107r
    Poziom 41  
    djhirass napisał:
    PYTANIE DO CZEGO ON IDZIE ?
    Czemu krzyczysz ?
    Może do czujnika/przełącznika temp silnika i przez presostat do ster klimy ? Jedno nie hula, klimy nie ma ? Masz 3 "wyjścia" z klimatronika, jedno będzie sterować, dwa wskazywać na błędy ciśnienia lub temperatury ?
    SEAT Alhambra 1998 - Brak zasilania na przekaźniku 168, klimatyzacja nie działa
    Jak widać kolorki się ZMIENIAJĄ, a ten schemat złączki olewa.
    Wziąłem sobie do 1,9tdi bo mi się szklana kula zbiła, a w tym badziewnym koncernie z innym silnikiem może być trochę inaczej :) i jeszcze handlują tym z fordem ?
    https://forum.fordclubpolska.org/showthread.php?t=69319 ?
    http://seat.auto.com.pl/forum/viewtopic.php?t=127063
  • REKLAMA
  • #4 16583823
    djhirass
    Poziom 2  
    DZIĘKI KOLEGO ZA PODPOWIEDZI ALE U MNIE W STEROWNIKU NIE MA PINU 11A KTÓRE JEST NA ZDJĘCIU - PUSTE MIEJSCE ?
    PRZEZ STEROWNIK SILNIKA TEŻ NIE IDZIE ZA STEROWAĆ KOMPRESORA - ELEMENTY NASTAWCZE KTS 540.
    I CO LEPSZE NIE MA ŻADNEJ USTERKI. NA CZUJNIKU CIŚNIENIA - OSUSZACZ JEST ZASILANIE ZWIERAM WENTYLATORY WCHODZĄ NA WYŻSZE OBROTY .
    ALE KOMPRESOR KOMPRESOR NIE PODJĄŁ PRACY PO MOSTKU KOLEJNYCH DWÓCH PINÓW . LIPA TOTALNA DALEJ WALCZĘ MACIE JAKIEŚ SUGESTIE ?
REKLAMA