Witam, kolega poprosił mnie o sprawdzenie instalacji szyb tylnych w samochodzie VV Golof 3 Kombi. Prawa tylna szyba pozostaje w pozycji otwartej i nie reaguje na przyciski. Do modułu z silnikiem dochodzi stały plus po zapłonie, masa, oraz plus i minus z przycisku w zależności który aktualnie jest wciśnięty. Mimo tego silnik nie reaguje, czy to oznacza uszkodzenie modułu z silnikiem ? W jaki sposób można awaryjnie podnieść szybę do góry ?
W kostce są również inne przewody, typu sygnał z przycisków kierowcy, sygnał z centralnego zamka, ale ich nie sprawdzałem. Czy może tam tkwić uszkodzenie ?
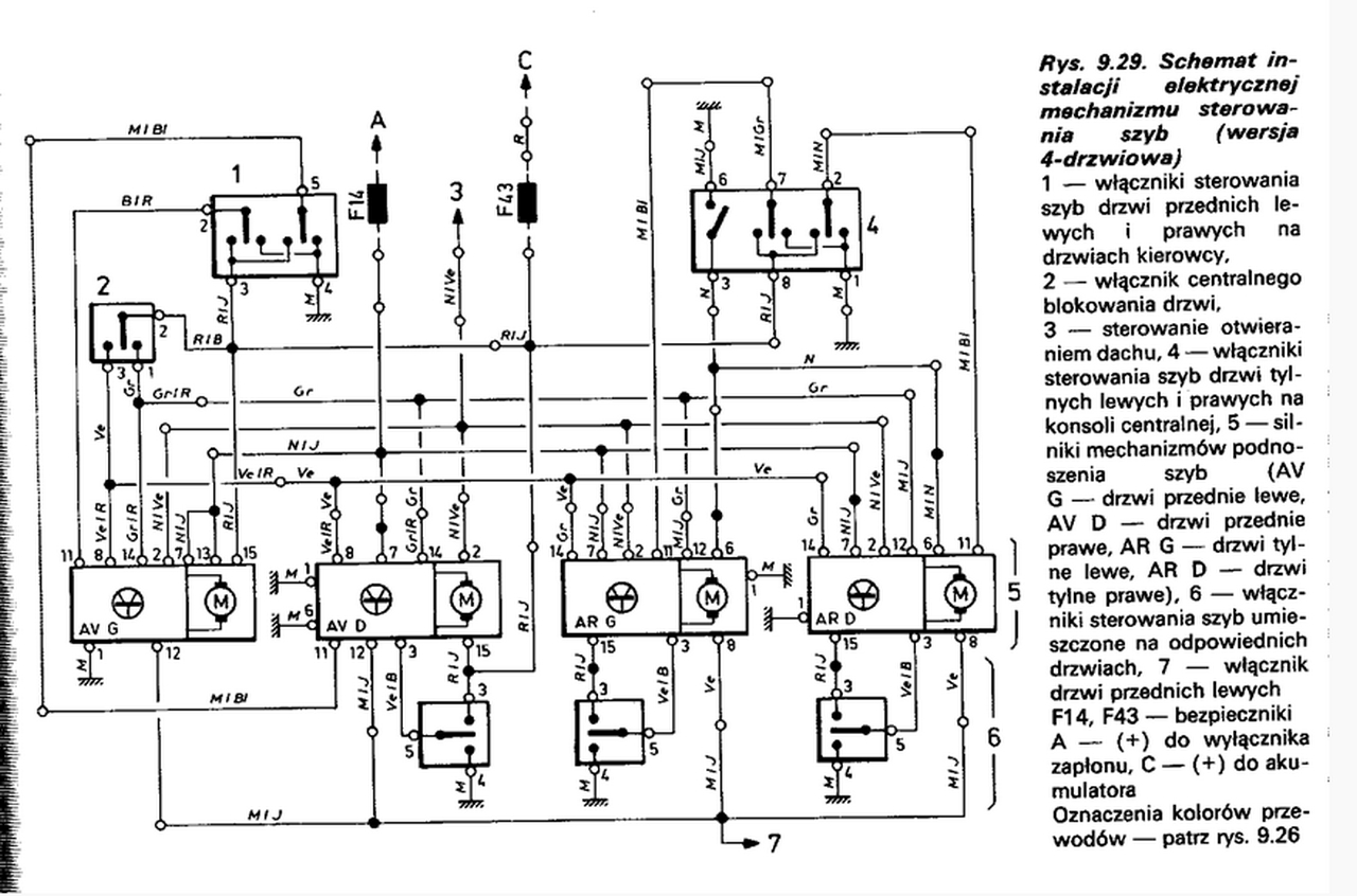
Instalacja połączona jest według poniższego schematu

W kostce są również inne przewody, typu sygnał z przycisków kierowcy, sygnał z centralnego zamka, ale ich nie sprawdzałem. Czy może tam tkwić uszkodzenie ?
Instalacja połączona jest według poniższego schematu