logo elektroda
logo elektroda
X
logo elektroda
REKLAMA
REKLAMA
Adblock/uBlockOrigin/AdGuard mogą powodować znikanie niektórych postów z powodu nowej reguły.

Rover 75 2.0 CDT 2005 - Schemat oświetlenia potrzebny

Alfred_92 06 Wrz 2017 19:16 3390 1
REKLAMA
  • #1 16684832
    Alfred_92
    Poziom 33  
    Panowie, jak w temacie, poszukiwany schemat oświetlenia do auta Rover 75 2.0 CDT 2005 rok.
  • REKLAMA
  • Pomocny post
    #2 16685529
    januszx3
    Poziom 31  
    Alfred_92 napisał:
    poszukiwany schemat oświetlenia do auta Rover 75

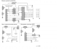
    Poszukiwane informacje są dostępne, ale np. w j. rosyjskim. Pełna dokumentacja serwisowa "Rover 75 1999-2006", to 121MB.
    Poszukiwane schematy poniżej, ...jeśli potrzebujesz dodatkowych info, to na PW.

    Rover 75 2.0 CDT 2005 - Schemat oświetlenia potrzebnyRover 75 2.0 CDT 2005 - Schemat oświetlenia potrzebny Rover 75 2.0 CDT 2005 - Schemat oświetlenia potrzebny Rover 75 2.0 CDT 2005 - Schemat oświetlenia potrzebny
REKLAMA